EasyManua.ls Logo

Altera Cyclone II - Audio CODEC

Altera Cyclone II
56 pages
Print Icon
To Next Page IconTo Next Page
To Next Page IconTo Next Page
To Previous Page IconTo Previous Page
To Previous Page IconTo Previous Page
Loading...
Altera Corporation Reference Manual 2–5
October 2006 Cyclone II FPGA Starter Development Board
Development Board Components
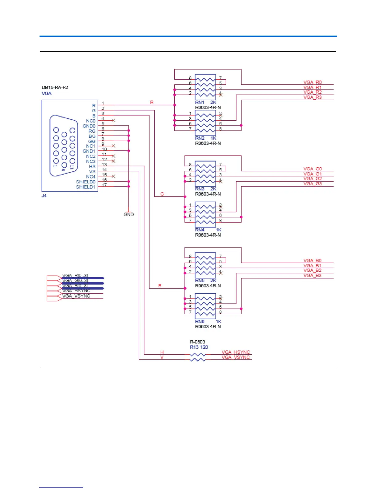
Figure 2–2. VGA Circuit Schematic Diagram
Audio CODEC
The development board provides a Wolfson WM8731high-quality, 24-bit,
sigma-delta audio encoder/decoder (CODEC) for applications such as
MP3 players and recorders, PDAs, smart phones, and voice recorders.

Table of Contents

Related product manuals