EasyManua.ls Logo

Alto-Shaam Vector VMC-H3H - Page 102

Alto-Shaam Vector VMC-H3H
138 pages
To Next Page IconTo Next Page
To Next Page IconTo Next Page
To Previous Page IconTo Previous Page
To Previous Page IconTo Previous Page
Loading...
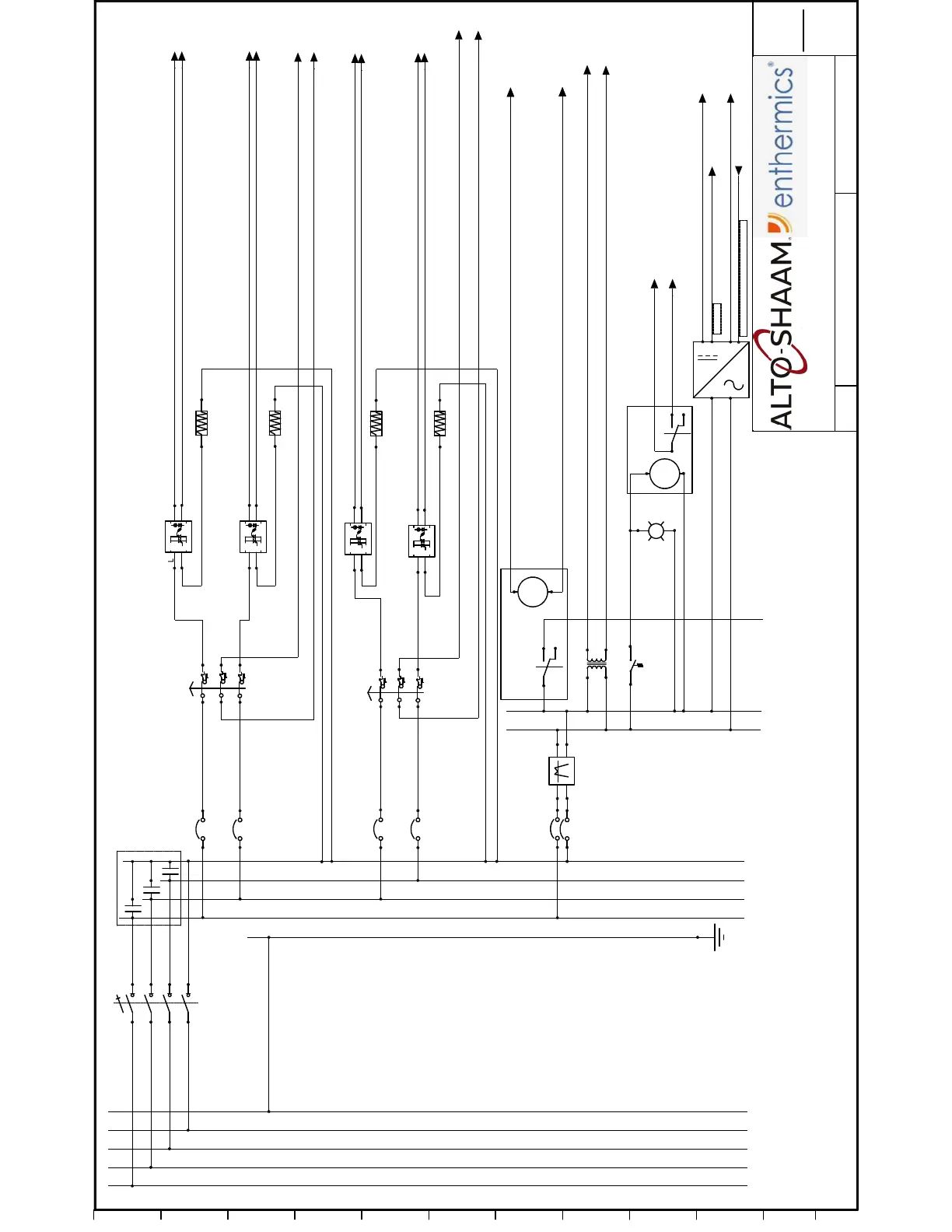
SCHEME
REVISION
/
3
77661
Alto-Shaam
3 6
12
11
10
9
8
7
6
5
4
3
2
1
1 2
ELEMENT 1
In+
A1(+)
In-
A2(-)
Out
Out
T1
SSR 1
TO CONTROL BOARD
HEATER PIN 1
TO CONTROL BOARD
HEATER PIN 2
TO CONTROL BOARD
P3-5
TO CONTROL BOARD
P3-6
TO CONTROL BOARD
P3-4
TO CONTROL BOARD
P3-3
1 2
ELEMENT 2
1 2
ELEMENT 3
TO CONTROL BOARD
P21-2
TO CONTROL BOARD
P21-3
1 2
ELEMENT 4
SSR 3
In+
A1(+)
In-
A2(-)
Out
Out
T1
L
In+
A1(+)
In-
A2(-)
Out
Out
T1
L
RL2
SSR 4
In+
A1(+)
In-
A2(-)
Out
Out
T1
L
A1
A2
J30
J33
TO CONTROL BOARD
TO CONTROL BOARD
TO CONTROL BOARD
HEATER PIN 4
TO CONTROL BOARD
HEATER PIN 5
TO CONTROL BOARD
HEATER PIN 6
TO CONTROL BOARD
HEATER PIN 7
TO CONTROL BOARD
HEATER PIN 8
SSR 2
TO CONTROL BOARD
HEATER PIN 3
OVEN HIGH LIMIT 1
CB-1 20A
CB-2 20A
2µF CAPACITOR
L1
L2
L3
N
MAIN SWITCH
MAIN POWER
TERMINAL BLOCK
OVEN HIGH LIMIT 2
11
12
21
22
31
32
CB-3 20A
CB-4 20A
CB-5 20A
12VAC
TRANSFORMER
TB5
TB4
CB-6 20A
COM
NO
CORCOM
6VDK1
L1
L2 L3
GND
N
11
12
21
22
31
32
TB6
05-12
05-12
05-12
05-7
05-7
05-7
05-7
05-10
05-9
05-7
05-3
05-3
05-12
05-12
05-12
05-12
Secondary
Primary
LOAD
LINE
BA-39285
FT1
FT4
FT2
FT3
GROUND BLOCK
TB-N
TB2
TB1
TB3
06-11
06-11
06-11
06-11
06-11
06-11
06-11
05-12
06-11
06-10
06-7
06-6
06-6
06-7
06-7
06-9
06-8
05-11
06-10
05-9
05-5
05-5
06-3
06-3
06-12
06-12
TO CONTROL BOARD P6
TO CONTROL BOARD P6
TO CONTROL BOARD P3-8
TO CONTROL BOARD P3-7
RL1
NO
COM
A2
A1
CLOSED ON RISE
130F
COOLING FAN INDICATOR
TO ON/OFF P1
TO ON/OFF P1
12VDC
0VDC
L
N
J12 (POS)
J12 (NEG)
BOU NDARY CONTROL BOARD
05-7
06-7

Table of Contents

Other manuals for Alto-Shaam Vector VMC-H3H

Related product manuals