EasyManua.ls Logo

Alto-Shaam Vector VMC-H3H - Page 108

Alto-Shaam Vector VMC-H3H
138 pages
To Next Page IconTo Next Page
To Next Page IconTo Next Page
To Previous Page IconTo Previous Page
To Previous Page IconTo Previous Page
Loading...
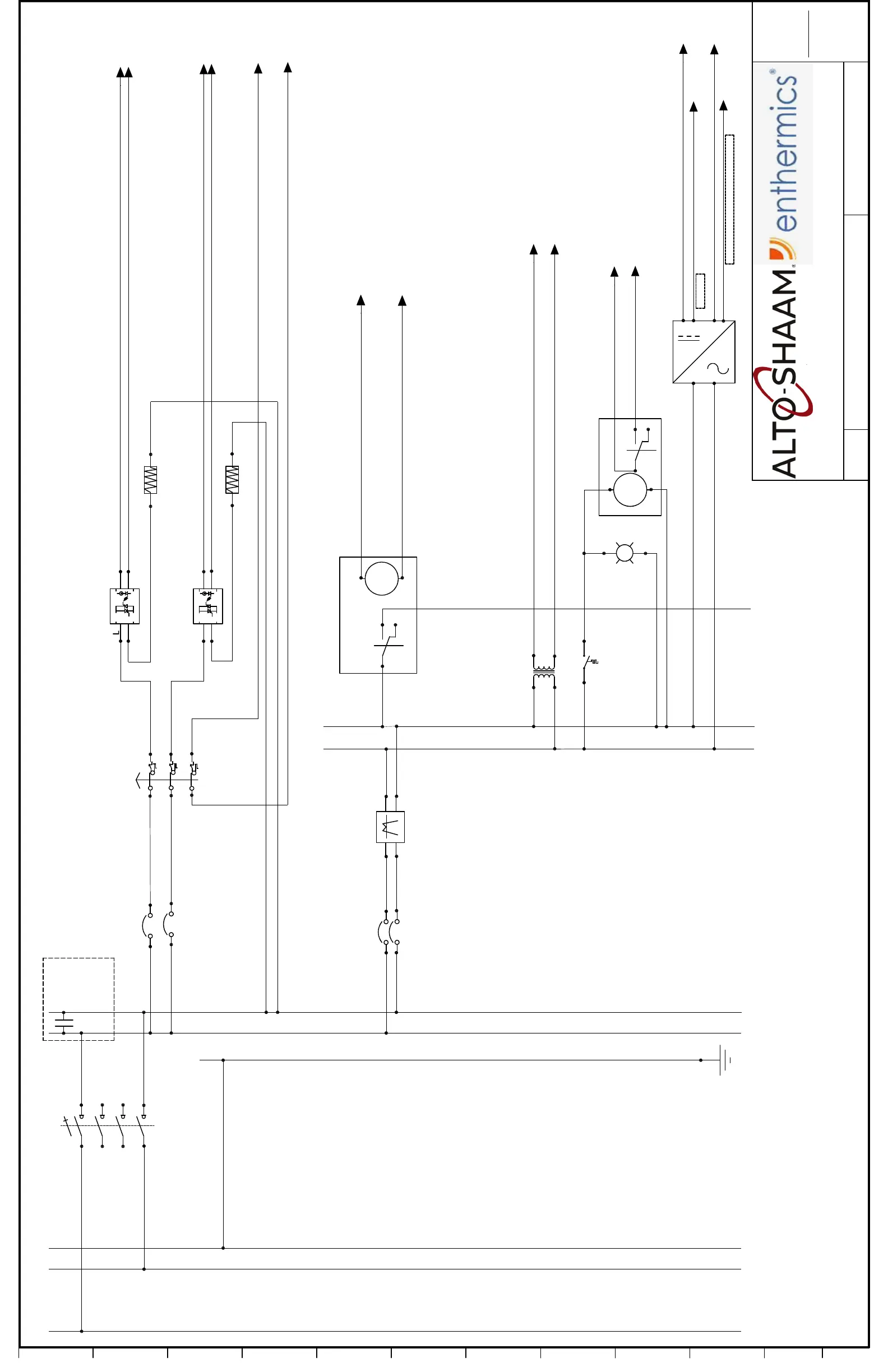
SCHEME
REVISION
/
3
77664
Alto-Shaam
3
6
12
11
10
9
8
7
6
5
4
3
2
1
ELEMENT 1
1 2
SSR 1
In+
A1(+)
In-
A2(-)
Out
Out
T1
TO CONTROL BOARD
HEATER PIN 2
TO CONTROL BOARD
HEATER PIN 1
TO CONTROL BOARD
P21-3
TO CONTROL BOARD
P21-2
ELEMENT 2
1 2
SSR 2
In+
A1(+)
In-
A2(-)
Out
Out
T1
L
TB6
TO CONTROL BOARD
P3-3
TO CONTROL BOARD
P3-4
TO CONTROL BOARD
HEATER PIN 4
TO CONTROL BOARD
HEATER PIN 3
OVEN HIGH LIMIT
MAIN SWITCH
L1
L2
L3
N
MAIN POWER
TERMINAL BLOCK
TB4
TB5
N
GND
L1
11
12
21
22
31
32
05-12
05-12
05-12
05-12
05-7
Secondary
Primary
LOAD
LINE
FT1
FT4
BA-39285
F CAPACITOR
CORCOM
6VDK1
GROUND BLOCK
CB-1 20A
CB-2 20A
CB-5 20A
CB-6 20A
12VAC
TRANSFORMER
TO CONTROL BOARD
TO CONTROL BOARD
J30
J33
A1
A2
TO CONTROL BOARD P3-8
TO CONTROL BOARD P3-7
CLOSED ON RISE
130F
RL-COOLING FAN
A1A2
COOLING FAN INDICATOR
COM
NO
TO ON/OFF P1
TO ON/OFF P1
12VDC
0VDC
L
N
A1
A2
RL2
COOLING FAN RLY
COM
NO
12VDC
05-7
05-5
05-5
05-4
TB2
TB1
06-11
06-11
06-11
06-11
05-11
05-10
06-10
06-10
06-7
06-6
J12 (POS)
J12 (NEG)
BOUNDARY CONTROL BOARD
06-9
06-8
05-9
05-7
06-6
05-9
05-7
06-7
05-4
06-3
06-3
06-12
06-12

Table of Contents

Other manuals for Alto-Shaam Vector VMC-H3H

Related product manuals