EasyManua.ls Logo

Alto-Shaam Vector VMC-H3H

Alto-Shaam Vector VMC-H3H
138 pages
To Next Page IconTo Next Page
To Next Page IconTo Next Page
To Previous Page IconTo Previous Page
To Previous Page IconTo Previous Page
Loading...
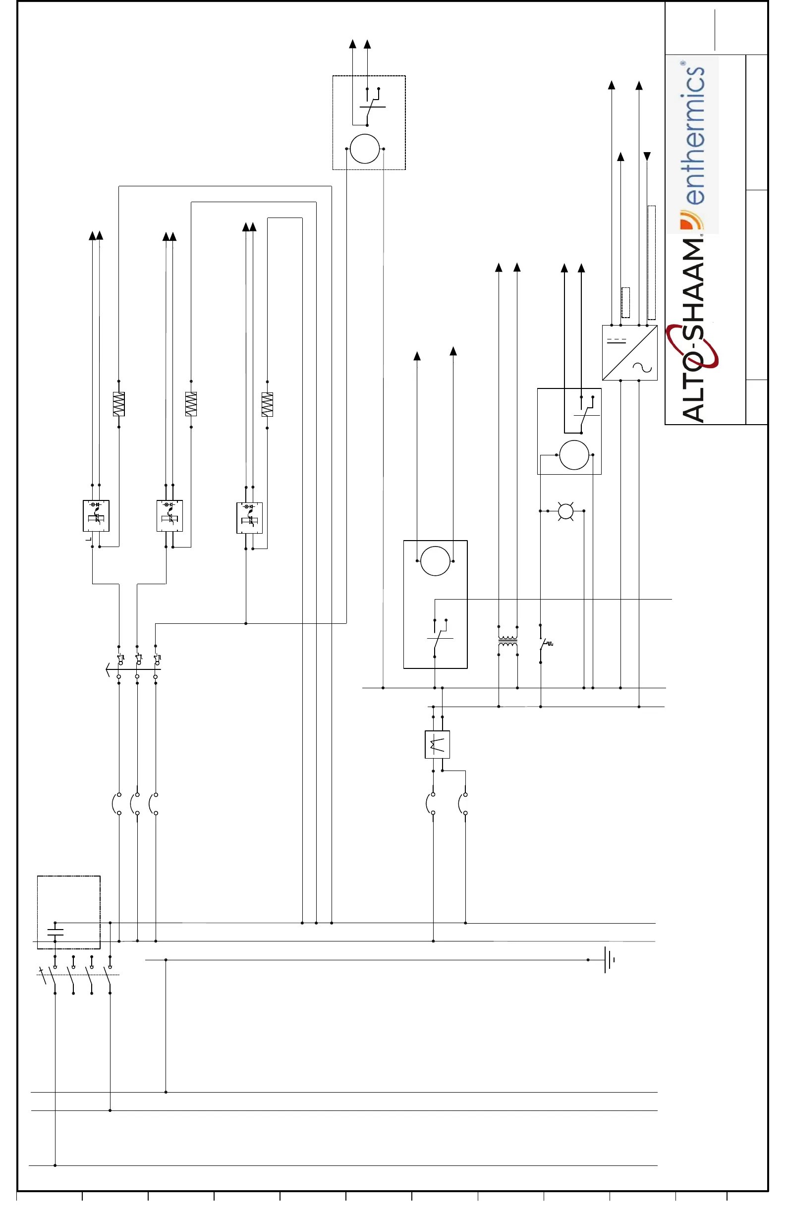
SCHEME
REVISION
/
3
77698
Alto-Shaam
3
6
12
11
10
9
8
7
6
5
4
3
2
1
NO
COM
TO CONTROL BOARD
P3-3
TO CONTROL BOARD
P3-4
ELEMENT 1
1 2
SSR 1
In+
A1(+)
In-
A2(-)
Out
Out
T1
TO CONTROL BOARD
HEATER PIN-2
TO CONTROL BOARD
HEATER PIN-1
TO CONTROL BOARD P6
TO CONTROL BOARD P6
ELEMENT 3
1 2
ELEMENT 2
1 2
TO CONTROL BOARD
P21-3
TO CONTROL BOARD
P21-2
SSR 3
In+
A1(+)
In-
A2(-)
Out
Out
T1
L
In+
A1(+)
In-
A2(-)
Out
Out
T1
L
A1
A2
TO CONTROL BOARD P3-8
TO CONTROL BOARD P3-7
J33
J30
RL1
NO
COM
TO CONTROL BOARD
TO CONTROL BOARD
A2
A1
TO CONTROL BOARD
HEATER PIN-6
TO CONTROL BOARD
HEATER PIN-5
TO CONTROL BOARD
HEATER PIN-4
TO CONTROL BOARD
HEATER PIN-3
SSR 2
OVEN HIGH LIMIT
1
CB-2 20A
CB-1 20A
MAIN SWITCH
L1
L2
L3
N
MAIN POWER TERMINAL BLOCK
NO
RL2
CB-5 20A
12VAC
TRANSFORMER
CLOSED ON RISE
130F
TB4
TB5
CB-6 20A
COM
N
GND
L1
CB-3 20A
1112
21
22
31
32
TB6
05-12
05-12
05-12
05-12
05-12
05-9
05-9
05-11
05-10
05-7
05-7
Primary
Secondary
LOAD
LINE
CORCOM
6VDK1
FT1
FT4
BA-39285
F CAPACITOR
GROUND BLOCK
COOLING FAN INDICATOR
TO ON/OFF P1
TO ON/OFF P1
12VDC
0VDC
L
N
TB8
TB2
TB1
RELAY-OT
06-11
06-11
06-11
06-11
06-11
05-12
06-11
06-10
06-10
06-7
06-7
J12 (POS)
J12 (NEG)
BOUNDARY CONTROL BOARD
06-8
06-9
05-7
06-6
05-7
06-6
05-5
05-5
05-3
05-3
06-3
06-3
06-12
06-12

Table of Contents

Other manuals for Alto-Shaam Vector VMC-H3H

Related product manuals