EasyManua.ls Logo

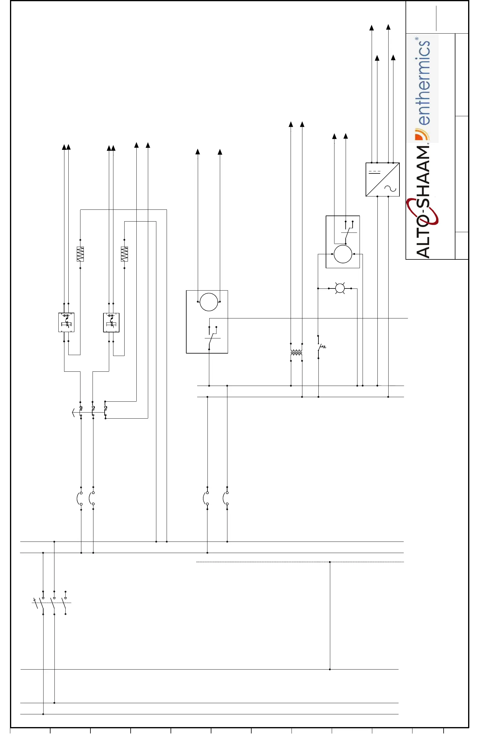
Alto-Shaam Vector VMC-H3H - Fan Indicator Light Troubleshooting

Alto-Shaam Vector VMC-H3H
138 pages
To Next Page IconTo Next Page
To Next Page IconTo Next Page
To Previous Page IconTo Previous Page
To Previous Page IconTo Previous Page
Loading...
SCHEME
REVISION
/
3
77654
3
6
12
11
10
9
8
7
6
5
4
3
2
1
MAIN POWER
TERMINAL BLOCK
In+
A1(+)
In-
A2(-)
Out
L1
Out
T1
In+
A1(+)
In-
A2(-)
Out
L1
Out
T1
1 2
1 2
L1
L2
GND
MAIN SWITCH
BREAKER 1
BREAKER 2
BREAKER 5
BREAKER 6
OVEN HIGH LIMIT
SSR 1
SSR 2
TO CONTROL BOARD
HEATER PIN
TO CONTROL BOARD
HEATER PIN
1
2
4
3
TO CONTROL BOARD
HEATER PIN
TO CONTROL BOARD
HEATER PIN
TO CONTROL BOARD P6
TO CONTROL BOARD P6
TB5
TB4
GND
TB6
TO CONTROL BOARD
P3
TO CONTROL BOARD
P3
3
4
05-12
05-12
05-12
05-12
05-9
05-7
05-7
HEATER 1
HEATER 2
TO CONTROL BOARD
J30-3
TO CONTROL BOARD
J33-4
TO CONTROL BOARD P3-7
TO CONTROL BOARD
P21-3
TO CONTROL BOARD
P21-2
Secondary
12VAC
TRANSFORMER
A1
A2
TO CONTROL BOARD P3-8
CLOSED ON RISE
130F
RL-COOLING FAN
A1A2
COOLING FAN INDICATOR
COM
NO
TO ON/OFF P1
TO ON/OFF P1
12VDC
0VDC
A1
A2
RL2
COOLING FAN RLY
COM
NO
12VDC
TB2
TB1
06-11
06-11
06-11
06-11
06-6
06-6
05-11
05-10
06-10
06-10
05-7
06-7
06-9
06-8
05-9
05-5
05-706-7
05-3
05-3
06-3
06-3
06-12
05-5
06-12

Table of Contents

Other manuals for Alto-Shaam Vector VMC-H3H

Related product manuals