EasyManua.ls Logo

AMD XILINX VEK280 - Page 43

AMD XILINX VEK280
78 pages
Print Icon
To Next Page IconTo Next Page
To Next Page IconTo Next Page
To Previous Page IconTo Previous Page
To Previous Page IconTo Previous Page
Loading...
3/20/24, 12:51 PM
Unofficial Document
https://docs.amd.com/internal/api/webapp/print/d54fa025-f5b0-4797-be6e-41b3e31f9548
43/78
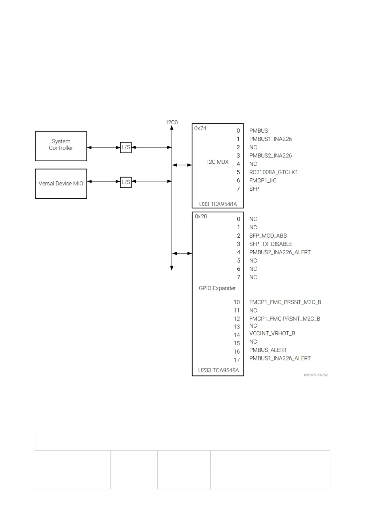
U33 switch is set to 0x74. Details for controlling the U33 TCA9548A switch can be
located in the data sheet located on the Texas Instruments website.
The detailed device connections for the feature described in this section are
documented in the VEK280 board schematic and XDC file, referenced in Xilinx
Design Constraints.
Figure: I2C0 Bus Topology
The devices on each port of the I2C0 U233 TCA6416A port expander and on each
bus of the I2C0 U33 TCA9548A switch are listed in the following tables.
Table: I2C0 Port Expander TCA6416A U233 Address 0x20 Connections
I2C0 Port Expander TCA6416A U233 Address 0x20 Connections
I2C Devices Port Direction Device
NC P00-P01 N/A N/A

Related product manuals