EasyManua.ls Logo

AMERITECH SecurityLink AM100 - Section 11. REMOTE KEYSWITCH (Continued); Keyswitch Wiring Diagrams

Default Icon
104 pages
Print Icon
To Next Page IconTo Next Page
To Next Page IconTo Next Page
To Previous Page IconTo Previous Page
To Previous Page IconTo Previous Page
Loading...
40–
123456789
9 PIN
CONNECTOR
ON CONTROL BOARD
BLACK
BLUE
BROWN
GREEN
RED
WHITE
YELLOW
GRAY
VIOLET
4142TR CABLE
BLACK
BLUE
BROWN
THESE WIRES NOT
CONNECTED IF
4300 INTERFACE
TRANSFORMER IS
NOT BEING USED
TO 9 PIN
CONNECTOR
YELLOW (NOT USED)
RED
(+ AUX POWER)
BLACK
GREEN
KEYPAD
CONNECTOR
CABLE
N4632-5
* MAY BE USED INSTEAD
OF 4142TR CABLE
(ARMED)
(READY)
RED
GREEN
820
820
TAMPER
SWITCH (N.C.)
LOCK
SWITCH (N.O.)
4146 KEYSWITCH
BROKEN LINES
REPRESENT
INSTALLER WIRING
CONNECTIONS
BROWN
BLUE
*
*
18
19
ZONE 7 ON
CONTROL
BOARD
EOLR
2000
YELLOW
WHITE
BLACK
RED
BROWN
BLUE
}
= WIRE NUT
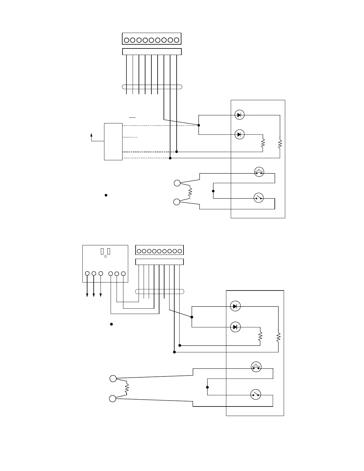
Figure 19 (A). Keyswitch Wiring (4300 Interface Transformer not used)
123456789
9 PIN
CONNECTOR
ON CONTROL BOARD
BLACK
BLUE
BROWN
GREEN
RED
WHITE
YELLOW
GRAY
VIOLET
1
1252
AC
Earth
Ground
AC
Sync
Data
Com
4300 TRANSFORMER
4142TR CABLE
}
TERMINALS
ON CONTROL
BOARD
2
3
4
5
6
NOT
USED
NOT
USED
(ARMED)
(READY)
RED
GREEN
820
820
TAMPER
SWITCH (N.C.)
LOCK
SWITCH (N.O.)
4146 KEYSWITCH
BROWN
BLUE
18
19
EOLR
2000
YELLOW
WHITE
BLACK
RED
BROWN
BLUE
ZONE 7 ON
CONTROL
BOARD
= WIRE NUT
Figure 19 (B). Keyswitch Wiring (4300 Interface Transformer also used)

Table of Contents

Related product manuals