EasyManua.ls Logo

AMI 227 - Page 49

Default Icon
86 pages
Print Icon
To Next Page IconTo Next Page
To Next Page IconTo Next Page
To Previous Page IconTo Previous Page
To Previous Page IconTo Previous Page
Loading...
MODEL 227
OPERATION MANUAL
Doc # 740063 Rev E
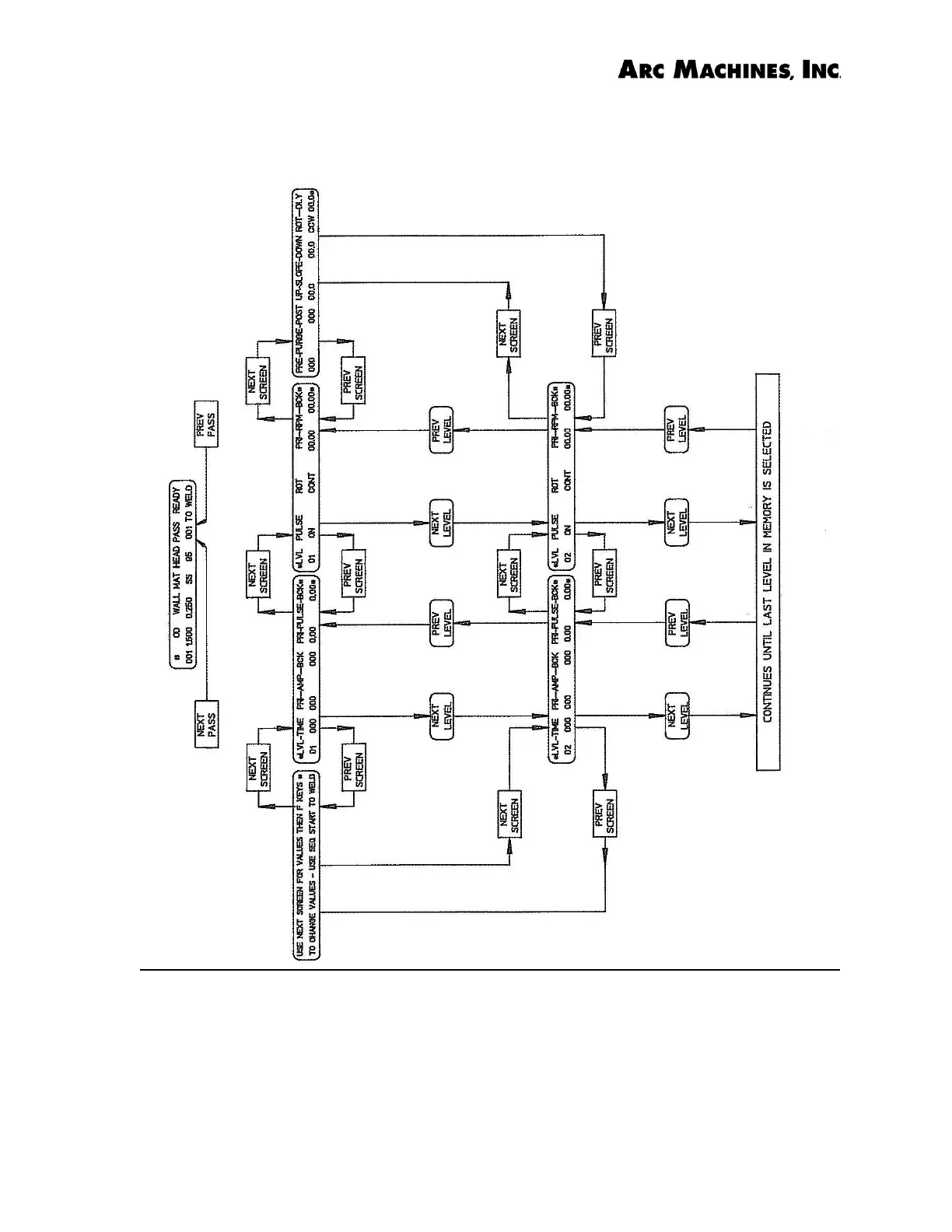
USE OF NEXT/PREVIOUS KEYS
5.5

Related product manuals