EasyManua.ls Logo

Amina ALF80 - Passive 2.2

Amina ALF80
16 pages
Print Icon
To Next Page IconTo Next Page
To Next Page IconTo Next Page
To Previous Page IconTo Previous Page
To Previous Page IconTo Previous Page
Loading...
7
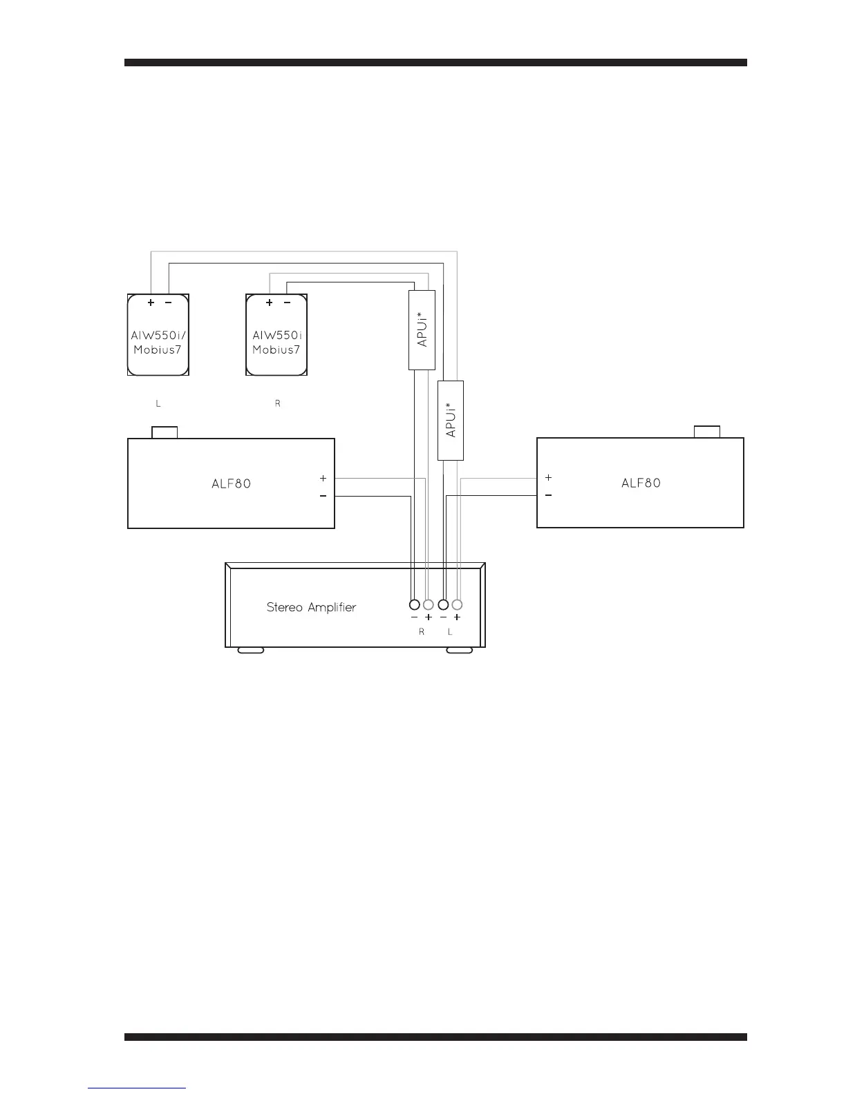
Connection Options (Passive 2.2)
Passive Stereo 2. 2: AIW550i/Mobius7 pair + 2x ALF80
Note: Amplifier must be 4 Ohm stable.
For systems using a pair of AIW550i or Mobius7 speakers, a pair of ALF80’s will be
necessary. In this scenario both channels of the stereo amplifier drive one ALF80 in parallel
connection with an AIW550i/Mobius7.
This scenario will also apply to a situation where a pair of AIW350i, iQ3 or Mobius5
speakers are used in larger rooms or where more bass is required.
*Install APUi50 with AIW550i.
Install APUi70 with Mobius7.

Related product manuals