EasyManua.ls Logo

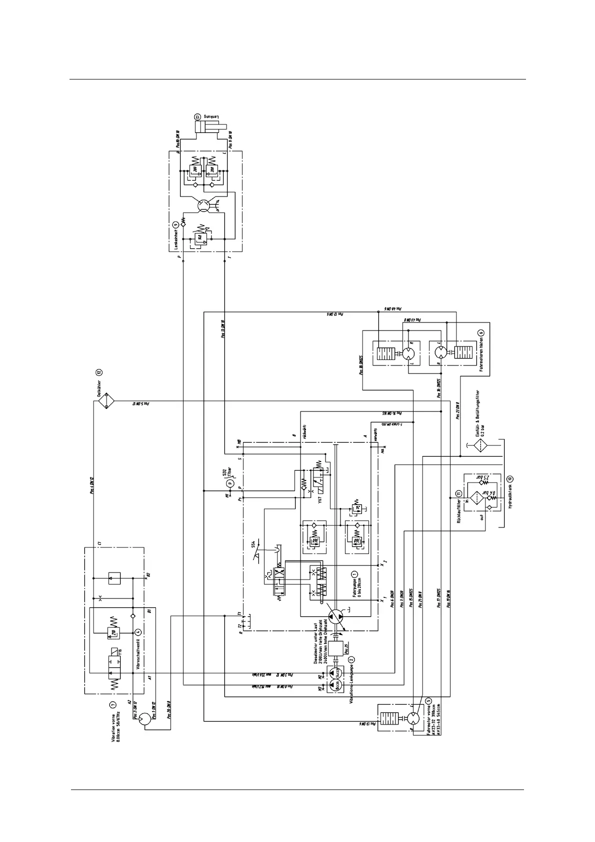
Ammann AV26-2 - Hydraulic Diagram AV23 K-AV40 K

Ammann AV26-2
180 pages
Print Icon
To Next Page IconTo Next Page
To Next Page IconTo Next Page
To Previous Page IconTo Previous Page
To Previous Page IconTo Previous Page
Loading...
11 Hydraulics diagram
BNNbOO
ID: 1138310 Issue date January 01, 2010
150
Hydraulic diagram AV23K-AV40K
Drawing number: 1-30004751

Table of Contents

Related product manuals