EasyManua.ls Logo

Ammann Cummins ASC110 - Page 114

Ammann Cummins ASC110
218 pages
Print Icon
To Next Page IconTo Next Page
To Next Page IconTo Next Page
To Previous Page IconTo Previous Page
To Previous Page IconTo Previous Page
Loading...
110 ASC 110
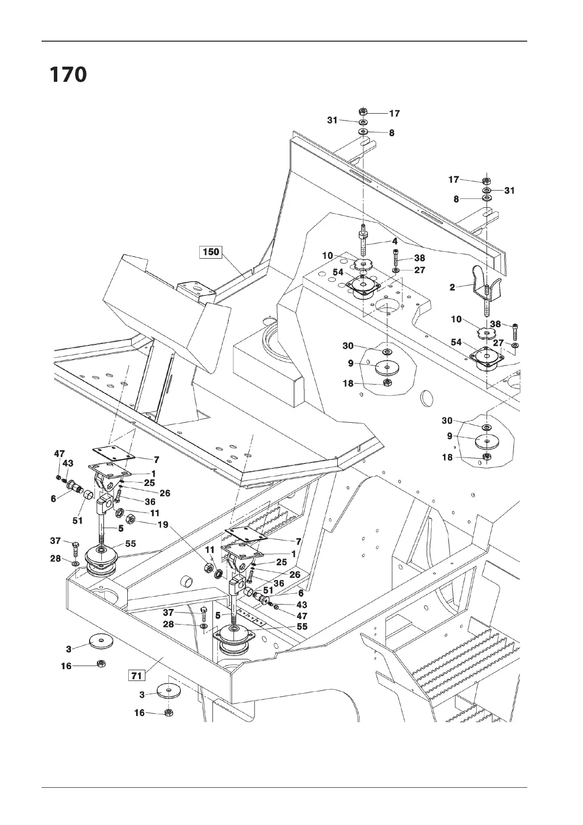
10. The driver‘s station assembly

Related product manuals