EasyManua.ls Logo

Ammann Cummins ASC110 - Page 187

Ammann Cummins ASC110
218 pages
Print Icon
To Next Page IconTo Next Page
To Next Page IconTo Next Page
To Previous Page IconTo Previous Page
To Previous Page IconTo Previous Page
Loading...
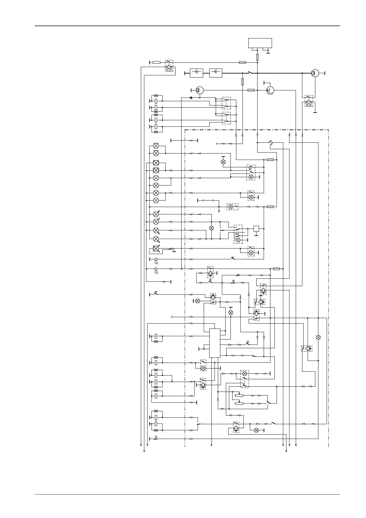
183ASC 110
WORKSHOP MANUAL
4
3
1
2
125A
30A
1OOAh
12V
50A
BAT
I
GRD
W
1OOAh
12V
1
3
7
4
2
8
50
31
30
1
3
7
4
2
8
X10:9
X3:4
X6:1
X4:4
X9:8X26:1
X10:1 X9:1
X10:2 X9:2
X3:5X18:1
X28
X3:2
X3:1
20A
9
1
8
6
10
3
2
1
9
5
10
X3:6
10A
X1O:5 X9:5
X2
15/5430
50a
X10:7X9:7
X4:3
X9:3
X9:4
NC C
CNO
12
X18:2
X18:3
X18:4
X18:5
X18:6,7
3
8
2
6
5
1
X3:7
X3:8
1
9
5
10
5
X3:9
7.5A
X11:2X13:2
X3:10
X13:1
87
86 85
30
X13:3
X3:11
X11:1
X5:2
5
7
1
87
86
30
85
X10:3
X10:4
49a
31
49
87a
86
85
30
86
87
87a
85
30
X13:4
X33:2
X14:1
10 11
X33:1X11:7
X11:4
12
4
2
5
9
8
X4:1
X11:3
X5:3
86
87
87a
85
30
X18:8
X4:2
X12:6
7
6
3
5
7
1
X12:8 X14:8
470R
330R
X12:4 X14:4
A1
A2
A3
A4
X12:5
X14:5
X14:7 X12:7
2 6
1
9
5
10
8
X14:3
X12:3
X14:6
X14:2X12:2
X13:8 X11:8
87a
86 85
30
X11:6
7
5
1
X11:5
X13:5
X13:6
X5:1
X4:8
X4:7
X4:5
87
8685
30
X4:6
X5:4
30
85
87
9
86
X6:2
10
50
3130
1
P
+
+
87a
1
10
5
S22
S35
Y7
Y14
A2
R1
R2
S17
S16
S18
H7
S19
Y9
Y10
S21
H6
K6
K7
Y11
Y8
K8
S40
K11
K5
S14
H3
H2
Y6
E15
S8
S9
F3
S11
S12
K2
H5
S13
H4
X27
K3
K4
E14
E4
E5
E8
E9
E11
E12
S4
S5
E7
E6
F2
S6
E13
E10
H1 S7
A1
X8
F10
F11
E1
R3
F12
M
M1
V3
Y3
Y4
Y1
Y2
G1 G2
M
M2
Q1
F9
K1
F1
E2
E3
S3
G
G3
S1
S2
Z
M
L
J
F
Е
D
B
K
K10
Radio
supply
Traveling
safetguard electronics
Engine connector
CABUNE LIFTING
CABINE LOWERING
BONET LIFTING
BONET LOWERING
FRONT SIDELIGHTS
TAIL LAMPS
FRONT HEADLIGHTS
REAR LIGHTS
CABINE ILLUMINATION
FRONT LEFT DIRECTION INDICATOR
REAR LEFT DIRECTION INDICATOR
REAR RIGHT DIRECTION INDICATOR
FRONT RIGHT DIRECTION INDICATOR
WARNING BEACON
HORN
BACK UP HORN
HYDRAULIC FLUID LEVEL
BRAKE
RTM MODULE SOLENOID
FAST TRAVELING - LEFT WHEEL
FAST TRAVELING - RIGHT WHEEL
FAST TRAVELING - DRUM
VIBRATION 1
VIBRATION 2
BRAKE PRESSURE SWITCH
211466_1en

Related product manuals