EasyManua.ls Logo

Ammann Cummins ASC110 - Page 197

Ammann Cummins ASC110
218 pages
Print Icon
To Next Page IconTo Next Page
To Next Page IconTo Next Page
To Previous Page IconTo Previous Page
To Previous Page IconTo Previous Page
Loading...
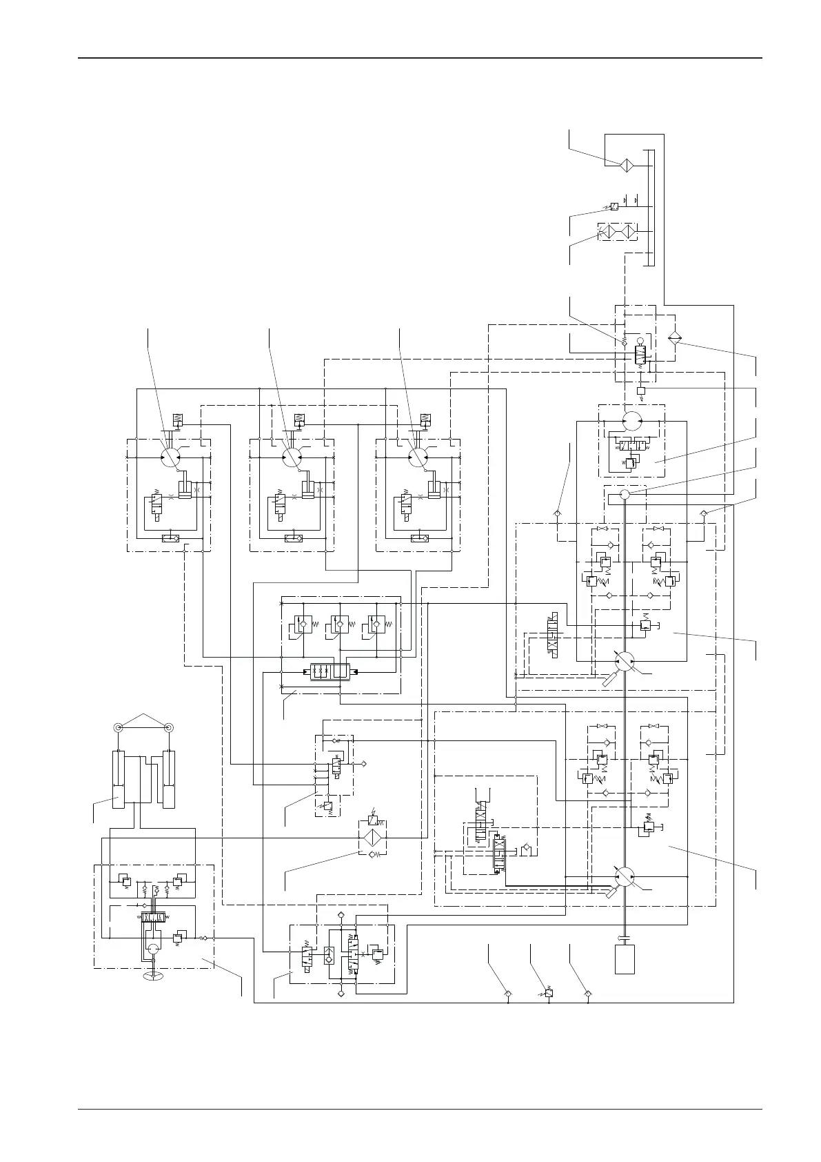
193ASC 110
3
15
13
23
22
19
18
20
21
1716
14
1
23 4
23
82
11
9
10
5
6
2200
RPM
(
)
() )
(
(
)
(
)
()
B
A
Vg min
Vg max
L1
L2
B
Vg min
Vg max
M5M4 MB
MA
L1
M4 M5 MB
MA
A
L2
L2
A
MBM5M4
L1
Vg max
Vg min
B
MA
60 bar
5bar
55°C
40°C
°C
°C
45
75
100
28
420
420
350
350
22
798
200
200
150
R
L
T
P
5
2,7
3,5
M
B1 B4 B3B2
T
P1
B5
16 bar
15 bar
44
28
60
26
54
24
26
60
211629
12
C
T
A
M
AB
B
M
1 MPa
TN1 3
2
B A
C
7
XP1
S
SB
A C
P
WORKSHOP MANUAL

Related product manuals