EasyManua.ls Logo

Ankom 2000 - Appendix B - Wiring Diagrams (1 of 4)

Ankom 2000
44 pages
Print Icon
To Next Page IconTo Next Page
To Next Page IconTo Next Page
To Previous Page IconTo Previous Page
To Previous Page IconTo Previous Page
Loading...
Operator’s Manual
pg. 40 Rev 05/12/21
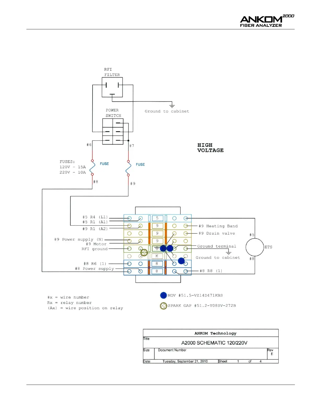
Appendix B Wiring Diagrams (1 of 4)

Related product manuals