EasyManua.ls Logo

AOC LE24D3140_30 - IR Board Schematic

AOC LE24D3140_30
64 pages
Print Icon
To Next Page IconTo Next Page
To Next Page IconTo Next Page
To Previous Page IconTo Previous Page
To Previous Page IconTo Previous Page
Loading...
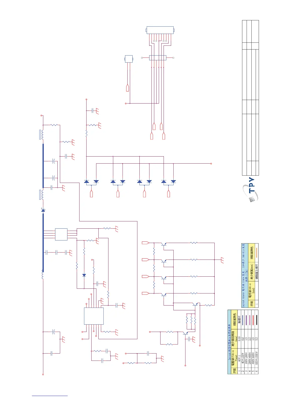
46
R8106
10K OHM +-5% 1/8W
R8104
22OHM +-5% 1/8W
R8108
200OHM +-5% 1/8W
CN8102
NC
1
2
VLED+
LED1
FB9905
BEAD
1 2
R8105
2R2 +-5% 1/8W
LED4
LED3
LED2
LED1
ON/OFF
DIM
L8102
47uH
VFB
+
C8102
33UF 100V
VSET
+
C8101
330UF 25V
SLP 7.67V
Q8106
2N3904
R8107
0R1 5% 2W
C8109
100N 50V
D8103
BAV99
3
1
2
R8116
100K 1%
R8110
100K 1%
OEM MODEL
Size
Rev
Date
Sheet
of
TPV MODEL
PCB NAME
〠⡩
T P V ( Top Victory Electronics Co . , Ltd. )
Key Component
㎜䳄⬌㎚㞩
B
22Monday, March 24, 2014
02.LED DRIVER
R8118
1M 1/6W 5%
R8119
150K 1/8W 5%
D8101
SR310-29
1 2
C8110
470P 50V
C8105
NC
D8104
BAV99
3
1
2
D8105
BAV99
3
1
2
D8106
BAV99
3
1
2
CN8104
NC
1
2
3
4
5
6
7
8
9
10
R8133
150R
CN8101
CONN
1
2
3
4
5
6
7 8
VBJT
VADJ
R8121
10R5 1%
VFB
+12V
D8102
1N4148W
+12V
VADJ
VBJT
SLP
C8108
10N 50V
R8101
51K 1/8W 1%
R8122
10R5 1%
R8114
100R 1%
R8115 100R 1%
R8123
10R5 1%
R8124
10R5 1%
VLED+
R8125
10R5 1%
Q8103
2N3904
Q8102
2N3904
R8103
0 OHM +-5% 1/8W
C8106
NC
LED1
R8129
NC
R8131
NC
LED2
LED3
Q8101
MTD55N10Q8
S
1
S
2
S
3
G
4
D
8
D
7
D
6
D
5
LED4
FB9907
JUMPER
1 2
R8111
18K 1/8W 1%
R8130
NC
C8104
100N 50V
+12V
C8103
100N 50V
VSET
+12V
R8132
150R
IC8501
PF7001S
EN
1
DIM
2
GM
3
VFB
4
VSET
5
OVP
6
RT
7
CS
8
GND
9
VMOS
10
VCC
11
VBJT
12
VADJ
13
SLP
14
R8117
3K9 1/8W 1%
C8116
NC
C8107
NC
Q8104
2N3904
Q8105
2N3904
Q8107
2N3904
R8113 100R 1%
AO4482L 6A/100V 057G 763958
AO4486 4.2A/100V 057G 763125
SM1A13NSKC 7A/100V 057G 763537
SM1105NSKC 3.5A/100V 357G0763A09
LED2LED1 LED4LED3
SLP
R8102
180K +-1% 1/8W
C8112
NC
C8114
10N 50V
OVP 66.6V
C8111
NC
C8115
NC
+
C8113
NC

Related product manuals