EasyManua.ls Logo

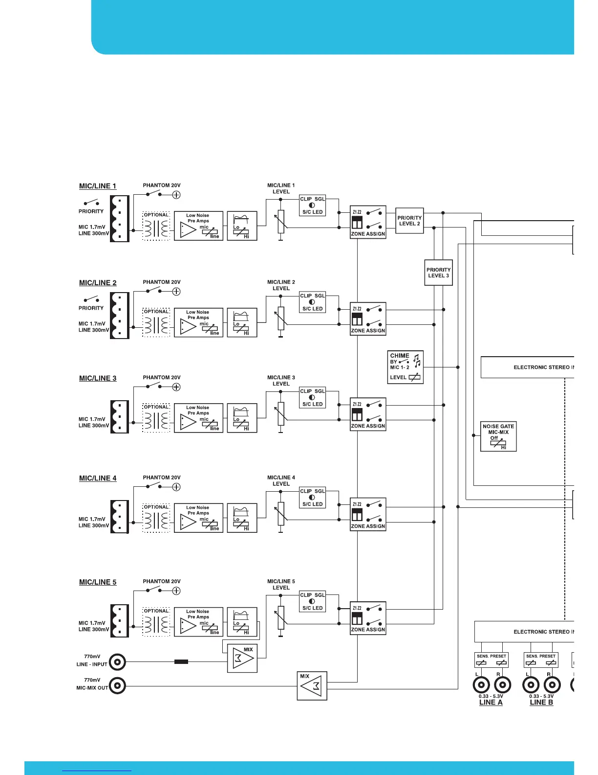
APART PM1122 - Block Diagram

APART PM1122
24 pages
Print Icon
To Next Page IconTo Next Page
To Next Page IconTo Next Page
To Previous Page IconTo Previous Page
To Previous Page IconTo Previous Page
Loading...
18
Pre-amplifier
Blockdiagram

Other manuals for APART PM1122

Related product manuals