EasyManua.ls Logo

Apex Instruments VSC-33 - Assembly & Leak Check Procedures; Figure 3 VSC-33 Glassware Set-up

Default Icon
21 pages
Print Icon
To Next Page IconTo Next Page
To Next Page IconTo Next Page
To Previous Page IconTo Previous Page
To Previous Page IconTo Previous Page
Loading...
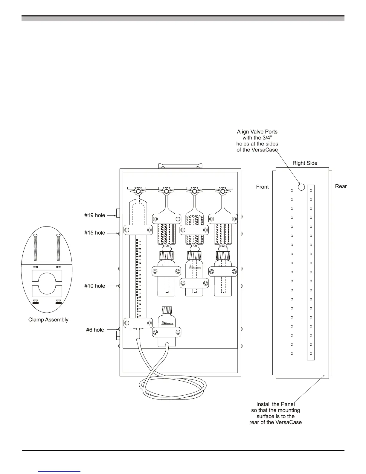
III. Assembly & Leak Check Procedures
Follow the procedures listed below to assemble the Orsat. It is strongly recommended that the
reader review these instructions thoroughly prior to assembling the apparatus. A schematic diagram of a
completely assembled VSC-33 analyzer is presented in Figure 3. Specific pipette filling instructions,
given below, are designed to facilitate the absorption of carbon dioxide, oxygen, and carbon monoxide in
sequence.. The chemicals for gas absorption may be prepared by the analyst using the instructions in the
preceding section.
Figure 3 VSC-33 Glassware Set-up
VSC-33
APEX INSTRUMENTS, INC.
8

Related product manuals