EasyManua.ls Logo

ARCA MK Series - Minimal Value of the Burner Output at First Stage; 5 Installation; Hydraulic Diagram

Default Icon
26 pages
Print Icon
To Next Page IconTo Next Page
To Next Page IconTo Next Page
To Previous Page IconTo Previous Page
To Previous Page IconTo Previous Page
Loading...
12
4.1 MINIMAL VALUE OF THE BURNER OUTPUT AT FIRST STAGE
If you have a two-stage burner, the first flame has to be set according to the values shown in the following table
in order to prevent boiler corrosion. The smoke temperature is not to be lower than 120°C.
MODEL
MIN. BURNER OUTPUT AT
FIRST STAGE kcal/h (kW)
MK 100 54'000 (63)
MK 120 64'000 (74)
MK 140 72'000 (83)
MK 170 88'000 (102)
MK 220 106'000 (123)
MK 280 132'000 (153)
PRK 320 160'000 (186)
PRK 400 225'000 (262)
PRK 500 275'000 (320)
PRK 600 335'000 (390)
PRK 740 412'000 (480)
PRK 830 464'000 (540)
PRK 1050 568'000 (660)
PRK 1200 653'000 (760)
PRK 1450 790'000 (920)
PRK 1850 1'005'000 (1170)
PRK 2350 1'280'000 (1490)
PRK 3000 1'548'000 (1800)
PRK 3500 1’800'000 (2100)
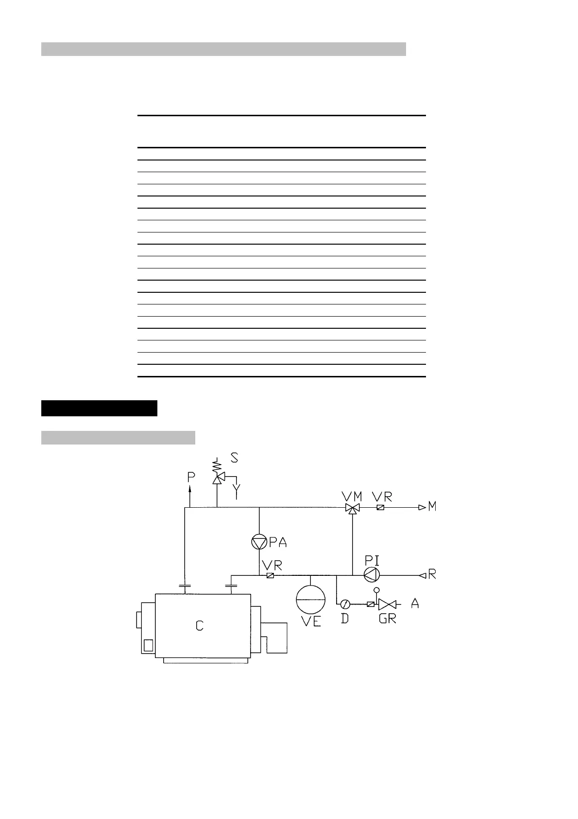
5. INSTALLATION
5.1 HYDRAULIC DIAGRAM
Legend:
C Boiler PA Anti-condensation pump
P Air bleeding PI System pump
S Safety valve VE Expansion vessel
VM Mixing valve GR Water loading group
VR Non-return valve A Hydraulic alimentation
M System flow D Litre meter
R System return

Related product manuals