EasyManua.ls Logo

Arcan XL35 - REPLACEMENT PARTS

Arcan XL35
15 pages
Print Icon
To Next Page IconTo Next Page
To Next Page IconTo Next Page
To Previous Page IconTo Previous Page
To Previous Page IconTo Previous Page
Loading...
XL-35 4 rev. 06/27/05
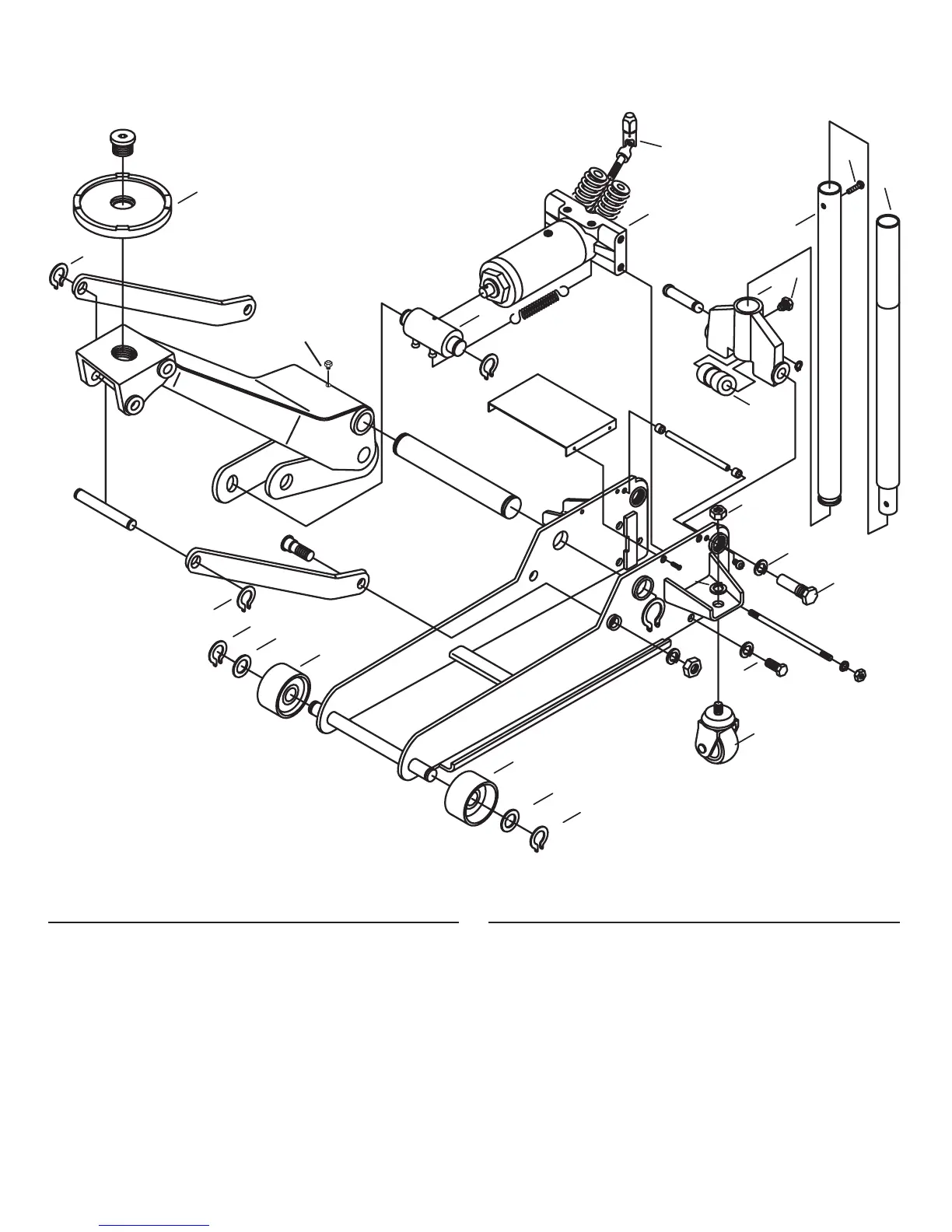
Item No. Part No. Description Qty.
1 XL3501 Retaining Ring M20 2
2 XL3502 Washer 2
3 XL3503 Front Wheel 2
4 XL3506 Retaining Ring M15 2
5 XL3512 Saddle 1
6 XL3517 Block Linkage and Split Pin 1
7 XL3520 Power Unit Assembly 1
8 XL3523 Hex Nut M12 & Lock Washer M12 7
9 XL3524 Rear Caster Assembly 2
Item No. Part No. Description Qty.
10 XL3525 Piston Roller Bearing 1
11 XL3530 Handle Yoke 1
12 XL3531 Grease Fitting 1
13 XL3532 Set Screw Handle 1
14 XL3537 Yoke Retaining Bolt and Washer 2
15 XL3538 Handle Lever “A” 1
16 XL3539 Bolt M6 x 35 1
17 XL3540 Handle Lever “B” 1
18 XL3541 Universal Joint assembly 1
REPLACEMENT PARTS
Only items identified by part number are available for purchase.
1
2
3
9
14
14
17
16
13
6
7
18
9
9
8
4
5
12
15
11
1
2
4
10
3
Item No. Part No. Description Qty.
1 XL3501 Retaining Ring M20 2
2 XL3502 Washer 2
3 XL3503 Front Wheel 2
4 XL3506 Retaining Ring M15 2
5 XL3512 Saddle 1
6 XL3517 Block Linkage and Split Pin 1
7 XL3520 Power Unit Assembly 1
8 XL3523 Hex Nu t M12 & Lock Washer M12 7
9 XL3524 Rear Caster Assembly 2
Item No. Part No. Description Qty.
10 XL3525 Spring 1
11 XL3530 Handle Yoke 1
12 XL3531 Grease Fitting 1
13 XL3532 Set Screw Handle 1
14 XL3537 Shaft Handle and Spring Washer 2
15 XL3538 Handle Lever “A” 1
16 XL3539 Bolt M6 x 35 1
17 XL3540 Handle Lever “B” 1
41 XL3541 Universal Joint assembly 1

Related product manuals