EasyManua.ls Logo

arcweld 210C MIG - Page 30

arcweld 210C MIG
31 pages
Print Icon
To Next Page IconTo Next Page
To Next Page IconTo Next Page
To Previous Page IconTo Previous Page
To Previous Page IconTo Previous Page
Loading...
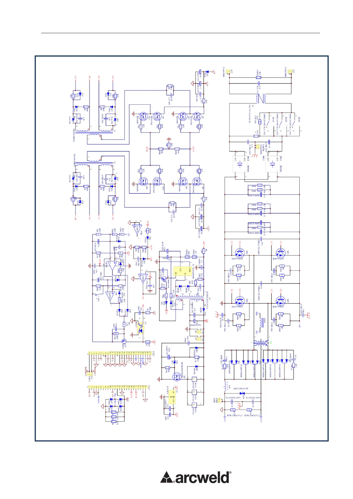
H-2 SCHEMATIC WIRING DIAGRAM H-2
arcweld
®
250C MIG

Related product manuals