EasyManua.ls Logo

arcweld 210C MIG - Schematic Wiring Diagram

arcweld 210C MIG
31 pages
Print Icon
To Next Page IconTo Next Page
To Next Page IconTo Next Page
To Previous Page IconTo Previous Page
To Previous Page IconTo Previous Page
Loading...
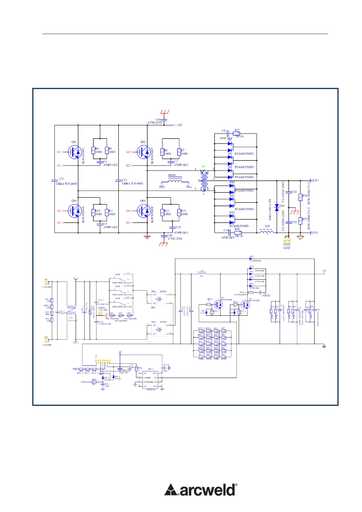
H-1 SCHEMATIC WIRING DIAGRAM H-1
WIRING SCHEMATIC
This diagram is for reference only, no notification of changes will be issued
arcweld
®
210C MIG

Related product manuals