EasyManua.ls Logo

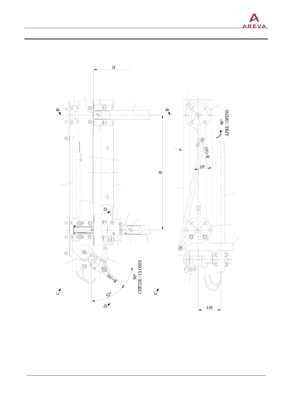
Areva S2DA - 图 5 A: 在雄触头侧面有接地开关的 S2 Dat 隔离开关的下半部分组件

Areva S2DA
100 pages
Print Icon
To Next Page IconTo Next Page
To Next Page IconTo Next Page
To Previous Page IconTo Previous Page
To Previous Page IconTo Previous Page
Loading...
INSTRUCTIONS FOR INSTALLATION AND MAINTENANCE
安装和维护说明手册
D0578-02-ZH
82/100
AREVA T&D S.p.A. – Via Meucci, 22 30020 Noventa di Piave (VE) ITALY – Tel. : 39 0421 309511 – Fax : 39 0421 65254
Subsidiary of AREVA T&D Italy SpA (AREVA group) with registered office in Via Meucci, 22 30020 Noventa di Piave (VE) - ITALY, under Art. 2359 of the Italian Civil Code.
FIG. 5A: ASSEMBLY OF THE LOWER PART OF THE S2DAT DISCONNECTOR WITH
EARTHING SWITCH ON THE SIDE OF THE MALE CONTACT
5A:
在雄触头侧面有接地开关的
S2DAT
隔离开关的下半部分组件
5
.
1
9
5
.
1
8
5
.
1
7
5
.
3
0
7
.
1
3
5
.
2
9
5
.
1
6
5
.
2
4
5
.
1
9
5
.
2
4
5
.
3
1
5
.
2
3
5
.
1
5
.
1
2
5
.
1
1
5
.
1
4
5
.
0
8
.
0
7
.
8
.
1
7
.
7
.
1
4
.
0
8
.
0
5
.
1
7
.
1
3
5
.
1
5
5
.
1
4

Table of Contents

Related product manuals