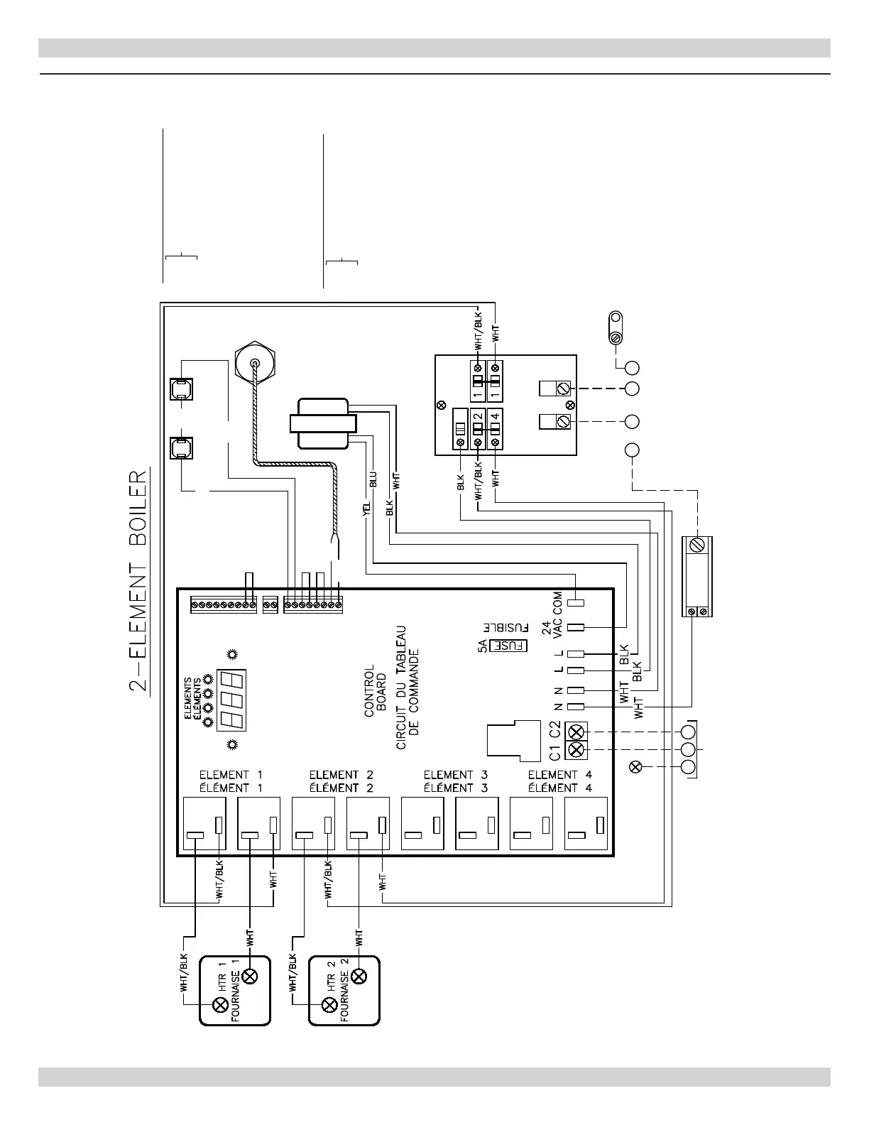
R (T)
W (T)
C
DHW
ODT
ODT
LMC
DHW
DEMAND PUMP
POMPE
LMC
T Aux
T Aux
HL
HL
FLO
LWC
LWC
WT
FLO
WT
RED
RED
RED
NEUTRAL BLOCK
N
MISE À LA TERRE DE L'APPAREIL
FIELD SUPPLIED POWER
PER NEC, CEC AND LOCAL CODES
EQUIPMENT GROUND
L1 L2 GN
BLK
WHT
WT SENSOR
RED
RED
RED
HIGH LIMITS
LOAD CENTER
PANNEAU DE DISTRIBUTION
NEC CLASS 2
LOW VOLT
CONNECTIONS
Low Volt Connections
R (T)
W (T)
C
Domestic Hot Water Thermostat
DHW
Not UsedODT
Load Management ControlLMC
Auxillary Appliance
T Aux
High Limit
HL
Flow AlarmFLO
Low Water AlarmLCO
Water Temperature SensorWT
Comfort Heating Thermostat
Thermostat de chauffage
tout confort
Raccordements de basse tension
R (T)
W (T)
C
Thermostat à eau chaude
DHW
InutiliséODT
Commande de gestion de chargeLMC
Appareil auxiliaireT Aux
Limite supérieure
HL
Alarme de débitFLO
Alarme de manque d'eauLCO
Capteur de la température de l'eau WT
domestique
RACCORDEMENTS EFFECTUÉS SUR
PLACE CONFORMÉMENT AU NEC/CCE
ET AUX CODES LOCAUX EN VIGUEUR
PLAQUE NEUTRE
DEMANDE
BLU - BLEU
BLK - NOIR
CODE DE COULEURS
RD - ROUGE
YEL - JAUNE
WHT - BLANC
NEC CATÉGORIE 2
BASSE TENSION
RACCORDEMENTS
CAPTEUR WT
LIMITES SUPÉRIEURES
TRANSFORMER
TRANSFORMATEUR
PUMP
POMPE
G
L1G N