EasyManua.ls Logo

Argo AT2446 - Additional Wiring Diagrams

Argo AT2446
36 pages
Print Icon
To Next Page IconTo Next Page
To Next Page IconTo Next Page
To Previous Page IconTo Previous Page
To Previous Page IconTo Previous Page
Loading...
23
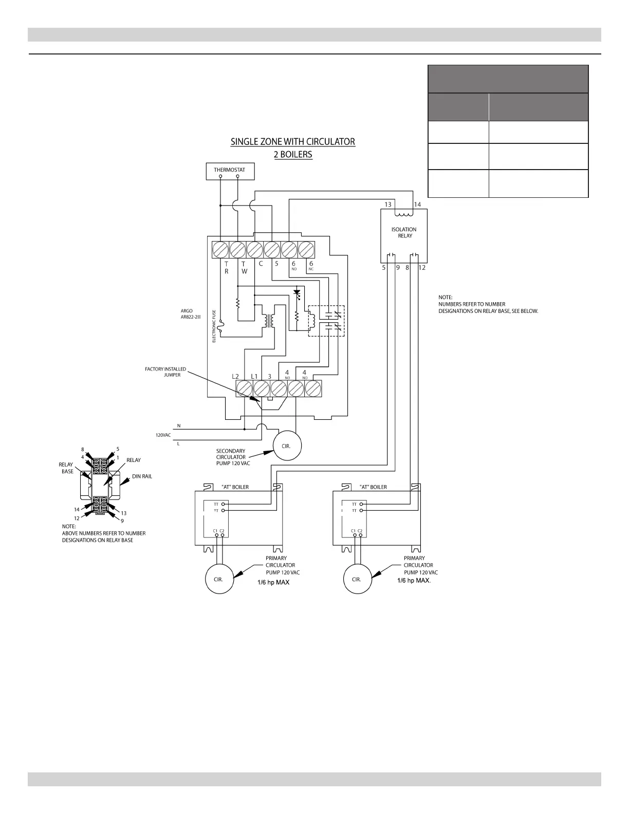
ADDITIONAL WIRING DIAGRAMS
Figure 11 - Single Zone with Circulator - 2 Boilers
(1/16 Hsp. Max.) (1/16 Hsp. Max.)
1/16 HSP MAX
1/6 hp MAX
1/6 hp MAX.
R(T)
W(T)
R(T)
W(T)
ISOLATION RELAY
ITEM
NUMBER
DESCRIPTION
R35C Relay 10A 24VAC
240004745
Relay Base, DIN Rail
Mount
240004746
DIN Rail Approx. 2"
Long

Related product manuals