EasyManua.ls Logo

Ariens 915039 - Wiring Diagrams and Continuity

Ariens 915039
44 pages
Print Icon
To Next Page IconTo Next Page
To Next Page IconTo Next Page
To Previous Page IconTo Previous Page
To Previous Page IconTo Previous Page
Loading...
10 - 36
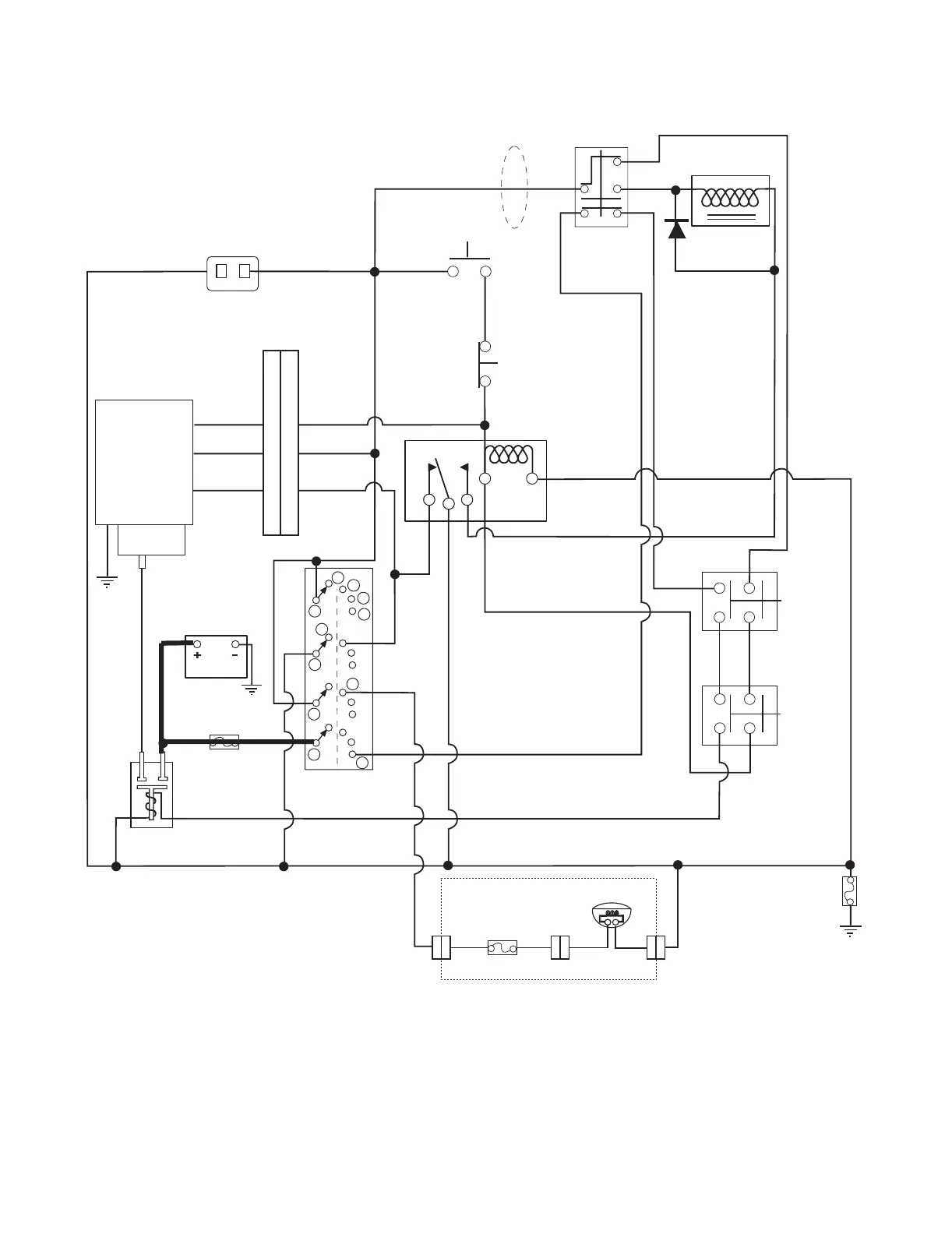
10.11 WIRING DIAGRAMS
Off
BLACK
+
-
HOUR
METER
WHITE /
BLACK
BROWN / WHITE
1
2
SEAT
SWITCH
1
2
MAGNETO
KILL
RED
PURPLE /
WHITE
PTO
CLUTCH
A
B
PTO
SWITCH
1
3
9
4
7
FUEL
SOLENIOD
PURPLE
BLACK
STARTER
RED
PARKING
BRAKE
SWITCH
RIGHT
STEERING
CONTROL
SWITCH
W
H
ITE
BLACK
BATTERY
COIL 2 COIL 1
BROWN
STARTER
SOLENOID
RE
D
/
G
R
E
E
N
Y
E
L
L
O
W
/
R
E
D
BLACK /WHITE
1
2
Y
E
L
L
O
W
/
R
E
D
33
22
44
11
66
55
BLACK
KEY
SWITCH
LEFT
STEERING
CONTROL
SWITCH
3
4
1
2
3
4
B
B
B
M
G
Y
A
B
BR
O
W
N
/
Y
ELLO
W
BROWN /
YELLOW
FUSE
BA
BLACK
BROWN / WHITE
HEADLIGHT
LT. BLUE
LIGHT
FUSE
B
A
R
ED
/
YE
LLO
W
START
RELAY
S
L
RED
ENGINE
REGULATOR
PURPLE
BLACK
BROWN
G
87a
30
87
86
85
BLACK
BLACK
LT.
BLUE
LT.
BLUE
LT.
BLUE
GROUND
PATH FUSE
B
A

Table of Contents

Related product manuals