EasyManua.ls Logo

Ariens 915039 - Section 11 - Mower Attachment; Mower Spindle Removal

Ariens 915039
44 pages
Print Icon
To Next Page IconTo Next Page
To Next Page IconTo Next Page
To Previous Page IconTo Previous Page
To Previous Page IconTo Previous Page
Loading...
11 - 42
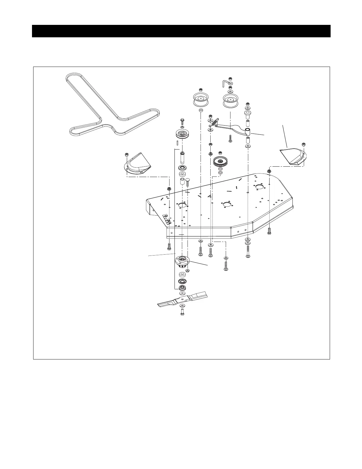
11.1 MOWER SPINDLE REMOVAL
1. Remove the mower deck from the unit for
disassembly of the mower.
2. Remove the mower spindle covers.
3. Remove the mower deck blades, retainer hub,
spindle key and bearing slinger.
4. Reduce belt tension on the belt by releasing the
idler pulley compression spring.
5. Remove the spindle sheaves and shaft assemblies
6. Remove the mower spindle housings from the
mower deck stamping.
7. Assemble in reverse order.
Spindle Repair
Spindles should be replaced as a unit.
SECTION 11 - MOWER ATTACHMENT
Figure 23
1. Spindle Cover
2. Idler Arm
3. Spindle Assembly
4. Hub
PE0550
1
2
4
3

Table of Contents

Related product manuals