EasyManua.ls Logo

Armstrong G2D80CT - Wiring Schematics; G2 D80 CT;G2 D80 CR Wiring Schematic

Armstrong G2D80CT
31 pages
Print Icon
To Previous Page IconTo Previous Page
To Previous Page IconTo Previous Page
Loading...
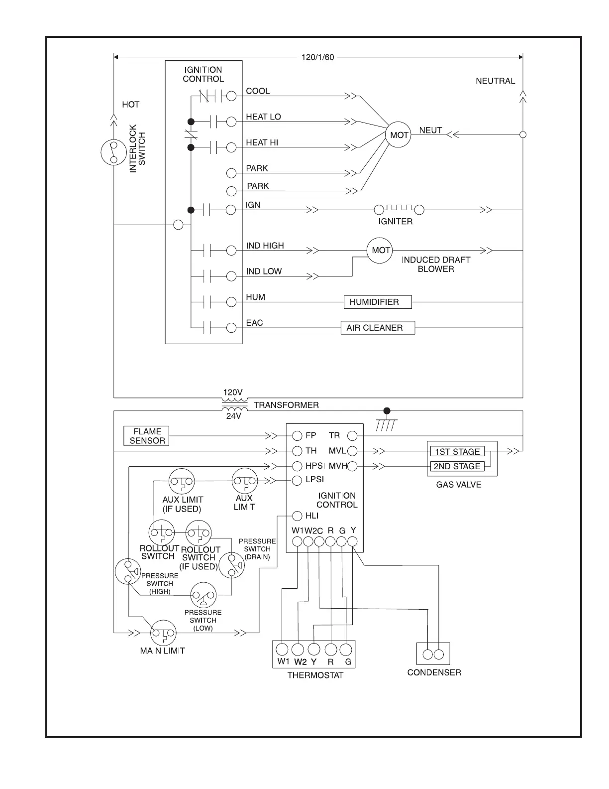
# 45465K005 Page 31
Figure 32
G2D80CT, G2D80CR Wiring Schematic
P/N 45604-005

Related product manuals