EasyManua.ls Logo

Armstrong G2D80CT - Wiring Diagrams; G1 D80 BT;G1 D80 BR Connection Diagram

Armstrong G2D80CT
31 pages
Print Icon
To Next Page IconTo Next Page
To Next Page IconTo Next Page
To Previous Page IconTo Previous Page
To Previous Page IconTo Previous Page
Loading...
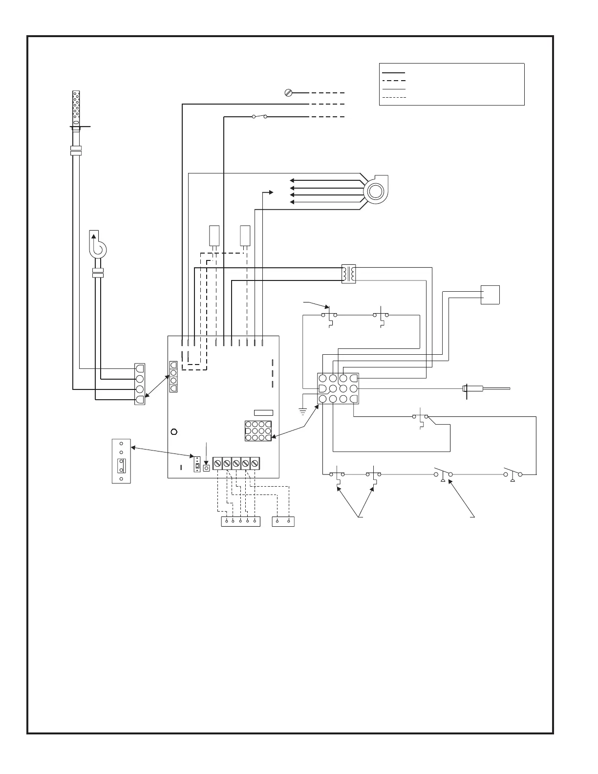
# 45465K005
Page 28
Figure 29
G1D80BT, G1D80BR Connection Diagram
P/N 45198-006
BLK
YEL
WHT
YEL
IF USED
BLOWER OFF
DELAY TIMING
VLT
ORN
BROWN
WHITE
BLUE
RED
BLK/WHT STRIPE
WHT
GAS
VALVE
180
120
90
60
MV
MV
IF USED
12
6
3
11
10
9
8
7
4
5
2
1
4
1
2
3
5A FUSE
TWIN
SW1
R
C
W
Y
G
PARK
PARK
PARK
NEUTRALS
HUM
L1
XFMR
CONT
EAC
COOL
HEAT
120
180
90
60
NOT ON ALL MODELS
*
*
BLK (HIGH)
YEL (MED/HI)
GRY
GRN
BLK
HIGH
LIMIT
VLT
ORN
ORN
ROLLOUT
SWITCH
AUX
LIMIT
PRESSURE
SWITCH
ROLLOUT
SWITCH
VLT
VLT
WHT
YEL
YEL
HOT SURFACE
IGNITOR
FLAME
SENSOR
120/1/60
BLK
WHT
YEL/BLK STRIPE
YEL
TRANSFORMER
BLU (MED)
ORN (MED/LO)
RED (LO)
WHT (NEUT)
EAC
HUM
THERMOSTAT & SUB-BASE
HEAT ANTICIPATOR
.60 AMP
CONDENSER
CIRCULATION
BLOWER
INTERLOCK
SWITCH
INDUCED
DRAFT
BLOWER
AUX
LIMIT
LOW VOLTAGE - FIELD
LOW VOLTAGE - FACTORY
LINE VOLTAGE - FIELD
LINE VOLTAGE - FACTORY
FAULT CODE
HISTORY
BUTTON
(SEE NOTE 1)
VLT
PRESSURE
SWITCH
IF USED
S1
P1
S2
P2
1.
HISTORY BUTTON TO DISPLAY FAULT
CODES. TO ERASE CODES, PRESS
AND HOLD BUTTON IN FOR MORE
THAN 5 SECONDS.
PRESS AND RELEASE FAULT CODE
2. IF ANY OF THE ORIGINAL WIRE AS
SUPPLIED WITH THE FURNACE MUST
BE REPLACED, IT MUST BE REPLACED
WITH WIRING MATERIAL HAVING A TEMP.
RATING OF AT LEAST 90°C.
3. DO NOT CONNECT C (COMMON)
CONNECTION BETWEEN INDOOR UNIT
AND THERMOSTAT EXCEPT WHEN
REQUIRED BY THE INDOOR THERMOSTAT.
REFER TO THE THERMOSTAT INSTALLATION
INSTRUCTIONS.
4. CHECK CODES FOR PROPER WIRING AND
CIRCUIT PROTECTION BEFORE INSTALLATION.

Related product manuals