EasyManua.ls Logo

Armstrong G2D93CT - Venting; Horizontal Venting Configurations

Armstrong G2D93CT
40 pages
Print Icon
To Next Page IconTo Next Page
To Next Page IconTo Next Page
To Previous Page IconTo Previous Page
To Previous Page IconTo Previous Page
Loading...
506303-01 Page 13 of 40Issue 0938
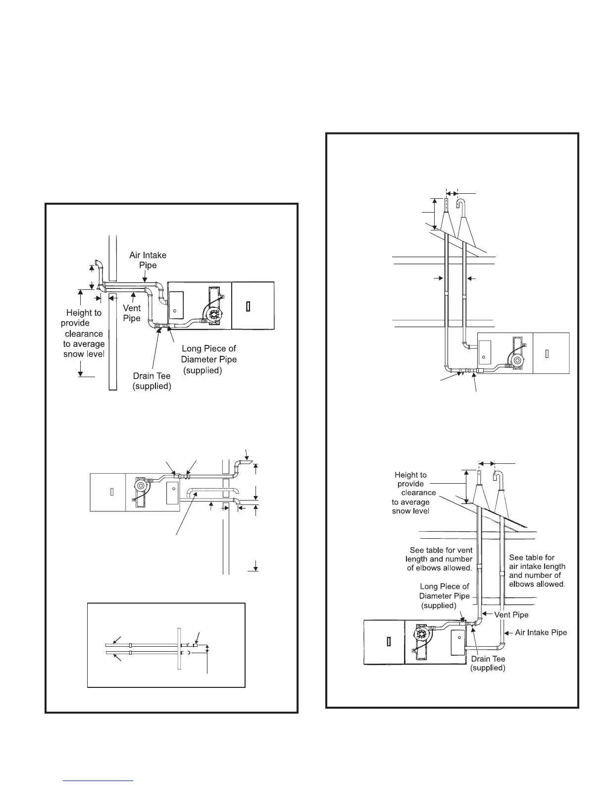
installations in Figure 11. This distance may be reduced in
milder climates or where wind is unlikely to blow flue products
to the intake pipe, but should not be less than 6”.
For horizontal venting, refer to Figure 11. For vertical
venting, refer to Figure 12. It is permissible to run the vent
vertically through the roof and terminate it as shown in Figure
12, and to run the combustion air intake pipe horizontally
through a side wall and terminate as shown in Figure 11.
The vent pipe on horizontal runs must slope upward, away
from the furnace, at a minimum pitch of 1/4" per foot of run, to
prevent accumulation of condensate.
Do not cement air intake into the connector on burner
box. Use high temperature RTV silicone sealant so
intake pipe can be removed if service is required.
In horizontal venting applications, the vent and air intake
pipe must be installed on the same side of the house
within the parameters shown in Figure 11.
Horizontal Direct Vent –
Horizontal Venting
Figure 11
Airflow Left to Right
THIS PIECE
IS OPTIONAL.
INTAKE PIPE
FLUE PIPE
3” MIN. - 48” MAX.
Overhead View
* Canadian installations: See “Canadian Applications Only” on page 6.
Long Piece of
Drain Tee
(supplied)
Height to
provide
clearance
to average
snow level
Vent
Pipe
Air Intake
Pipe
Intake may be raised as
shown to obtain minimum snow
clearance requirements.
3”
2” Diameter Pipe
(supplied)
6”
18”
12”
*
*
*
*
18”
6”
12”
3”
2”
Airflow Right to Left
Figure 12
Horizontal Direct Vent –
Vertical Venting
* Canadian installations: See “Canadian Applications Only” on page 6.
12”
6.5” Min
24” Max
3”
2”
*
*
Height to
provide
clearance
to average
snow level
Drain Tee
(supplied)
Vent Pipe
Air Intake Pipe
See table for air intake
length and number of
elbows allowed.
See table for vent
length and number
of elbows allowed.
6.5” Min
24” Max
12”
3” Long Piece of 2” Diameter Pipe
(supplied) *
*
Airflow Left to Right
Airflow Right to Left

Related product manuals