EasyManua.ls Logo

Arneg Lisbona - Page 14

Arneg Lisbona
Print Icon
To Next Page IconTo Next Page
To Next Page IconTo Next Page
To Previous Page IconTo Previous Page
To Previous Page IconTo Previous Page
Loading...
Lisbona
05060030 03 30/07/2015 13
17
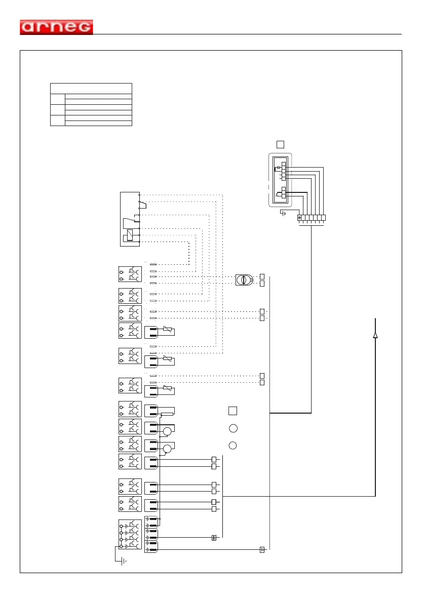
CAVO DI COLLEGAMENTO ALLA PLAFONIERA
CANOPY CONNECTION WIRE
S1S1 S2 S2
R1N2N
S3 S3
S1
S1 S1 S1S1
SONDA TERMOSTATAZIONE
THERMOSTAT PROBE
56
EVAPORATOR FANS SYPPLY
ALIMENTAZIONE VENTILATORI EVAPORATORE
(R1) DEFROST HEATER SUPPLY (ONLY MT)
ALIM. RESISTENZA SBRIN. (R1) (SOLO MT)
THERMOSTAT PROBE
SONDA TERMOSTATAZIONE
END DEFROST PROBE
SONDA FINE SBRINAMENTO
TEMPERATURE PROBE
SONDA TEMPERATURA
34 1211
34 1112
LN
NLNL
TEMPERATURE THERMOSTAT OUTPUT
COMANDO TERMOSTATO TEMPERATURA
END DEFROST THERMOSTAT OUTPUT
COMANDO TERMOSTATO FINE SBRINAMENTO
THERMOSTATS SUPPLY
ALIMENTAZIONE TERMOSTATI
245678
A
13
TC
3412
SONDA FINE SBRINAMENTO
END DEFROST PROBE
S2
S2 S2 S2S2 S3 S3
S3
TEMPERATURE PROBE
SONDA TEMPERATURA
NR1
DEFROST HEATER
RESISTENZA SBRINAMENTO
N2
M
VENTILATORI EVAPORATORE
EVAPORATOR FANS
N1
INI
NI I
15N
N15
LIGHTING
ILLUMINAZIONE
NIGHT BLIND SUPPLY
ALIMENTAZIONE TENDE NOTTE
1N
HEATERS SUPPLY
ALIMENTAZIONE CAVI CALDI
112234 65
R1
1
ASSIEME TERMOM./TERMOST. (OPTIONAL)
THERMOSTAT ASSEMBLY (OPTIONAL)
12 4567
12VAC
38
CAREL IR32SE00
6
5
4
3
2
1
CAVO DI COLLEGAMENTO TERM-TERMOSTATO
TERMOM.-THERMOSTAT CONNECTION WIRE
DY
LEGENDA
END-DEFROST THERMOSTAT (OPTIONAL)
TERMOSTATO FINE SBRINAMENTO (OPTIONAL)
A
TRASFORMATORE 240/12V (OPTIONAL)
TRANSFORMER 240/12V (OPTIONAL)
TC
SONDE TIPO NTC 10Kohm 25 °C
PROBE TYPE NTC 10Kohm 25 °C
S1-S2-S3
2aN
N2a
M
VENTILATORI CORTINA ESTERNA
FANS EXTERNAL AIR CURTAIN
2
FANS EXTERNAL AIR CURTAIN SUPPLY
ALIMENTAZIONE VENTILATORI CORTINA ESTERNA
SCHEMA ELETTRICO STANDARD LISBONA MF-HF 2C DOPPIA CORTINA DIS.D5A115443
STANDARD ELECTRIC PANEL LISBONA MF-HF 2C DOUBLE AIR COURTAIN DWG.D5A1543

Table of Contents

Related product manuals