EasyManua.ls Logo

ARO PD20 series - Trouble Shooting; Dimensional Data

ARO PD20 series
12 pages
Print Icon
To Next Page IconTo Next Page
To Next Page IconTo Next Page
To Previous Page IconTo Previous Page
To Previous Page IconTo Previous Page
Loading...
PX20X-XXX-XXX-BXXX (en) Page 9 of 12
TROUBLE SHOOTING
Product discharged from exhaust outlet.
y
Check for diaphragm rupture.
y
Check tightness of (14) diaphragm screw.
Air bubbles in product discharge.
y
Check connections of suction plumbing.
y
Check “O” rings between intake manifold and inlet side
uid caps.
y
Check tightness of (14) diaphragm screw.
Motor blows air or stalls.
y
Check (176) check valve for damage or wear.
y
Check for restrictions in valve / exhaust.
Low output volume, erratic ow or no ow.
y
Check air supply.
y
Check for plugged outlet hose.
y
Check for kinked (restrictive) outlet material hose.
y
Check for kinked (restrictive) or collapsed inlet material
hose.
y
Check for pump cavitation - suction pipe should be sized
at least as large as the inlet thread diameter of the pump
for proper ow if high viscosity uids are being pumped.
Suction hose must be a non-collapsing type, capable of
pulling a high volume.
y
Check all joints on the inlet manifolds and suction con-
nections. These must be air tight.
y
Inspect the pump for solid objects lodged in the dia-
phragm chamber or the seat area.
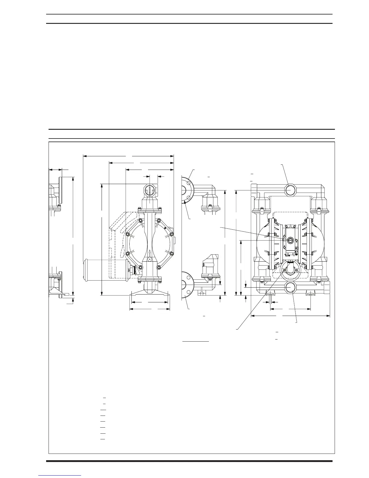
DIMENSIONAL DATA
A
C
D
R
B
D
B
H
J
L
F
E
P
G
L
Q
M
K
N
(
Bolt circle)
Air Inlet
3/4 - 14 NPTF - 1
Exhaust port 1-1/2 - 11-1/2 N.P. T.
S
(Material inlet)
(PX20X-FXX-XXX-BXXX)
Material inlet
(PX20X-AXX-XXX-BXXX)
T
(PX20X-BXX-XXX-BXXX)
U
Material outet
(PX20X-AXX-XXX-BXXX)
T
(PX20X-BXX-XXX-BXXX)
U
S
(Material outlet)
(PX20X-FXX-XXX-BXXX)
Dotted lines show optional
67263 muer assembly.
DIMENSIONS
A - see below
B - 24-3/4” (628.7 mm)
C - 10-1/16” (255.6 mm)
D - see below
E - 16-3/16” (411.2 mm)
F - 12” (304.8 mm)
G - 26-1/4” (666.8 mm)
H - 9-1/16” (230.2 mm)
J - 10-1/16(255.6 mm)
K - 9/16” (14.3 mm)
L - see below
M - 5/8” (15.9 mm)
N - 4.834(122.8 mm)
P - 21-5/8” (548 mm)
Q - 27-7/8” (708.0 mm)
R - see below
S - 2” A.N.S.I. / DIN Flange
T - 2 - 11-1/2 N.P.T.F. - 1
U - Rp 2 (2 - 11 BSP, parallel)
“A “D “L “R”
PX20X-XAX-XXX-BXXX 19-3/4” (501.7 mm) 1-7/8” (47.6 mm) 2” (50.8 mm) 12-15/16” (328.6 mm)
PX20X-XCX-XXX-BXXX 19-3/4” (501.7 mm) 1-7/8” (47.6 mm) 2” (50.8 mm) 12-15/16” (328.6 mm)
PX20X-AHX-XXX-BXXX 19-1/4” (488.7 mm) 2-1/2” (63.5 mm) 2-3/32(53.0 mm) 13-9/16(344.5 mm)
PX20X-ASX-XXX-BXXX 19-3/8” (492.1 mm) 2-1/2” (63.5 mm) 2-3/32(53.2 mm) 13-9/16” (344.5 mm)
PX20X-FHX-XXX-BXXX 19-1/4” (488.7 mm) 2-1/2” (63.5 mm) 3-1/4” (82.6 mm) 13-9/16” (344.5 mm)
PX20X-FSX-XXX-BXXX 19-3/8” (492.1 mm) 2-1/2” (63.5 mm) 3-1/4” (82.6 mm) 13-9/16” (344.5 mm)
I - Side Discharge Ports are not avaliable on PX20X-XSX-XB Models.
PX20X-BHX-XXX-BXXX 19-1/4” (488.7 mm) 2-1/2” (63.5 mm) 2-3/32(53.0 mm) 13-9/16” (344.5 mm)
PX20X-BSX-XXX-BXXX 19-3/8” (492.1 mm) 2-1/2” (63.5 mm) 2-3/32(53.2 mm) 13-9/16” (344.5 mm)
Figure 4
Dimensions shown are for reference only, they are displayed in inches and millimeters (mm).

Related product manuals