EasyManua.ls Logo

Art-Tech Falcon Beginner - Helicopter Assembly and Installation

Default Icon
47 pages
Print Icon
To Next Page IconTo Next Page
To Next Page IconTo Next Page
To Previous Page IconTo Previous Page
To Previous Page IconTo Previous Page
Loading...
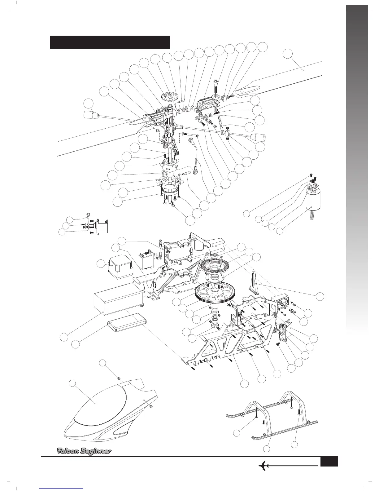
INSTALLATION
www.art-tech.cn
17
24
76
7
8
9
22
25
26
27
28
79
33
35
38
39
40
42
43
44
45
51
71
102
77
78
90
91
92
93
94
95
96
97
98
100
107
108
31
33
14
15
86
106
11
15
70
5
1
2
6
10
14
16
19
23
29
34
37
48
49
50
80
81
82
83
84
85
88
103
109
11
4
21
30
104
105
17
18
87

Related product manuals