EasyManua.ls Logo

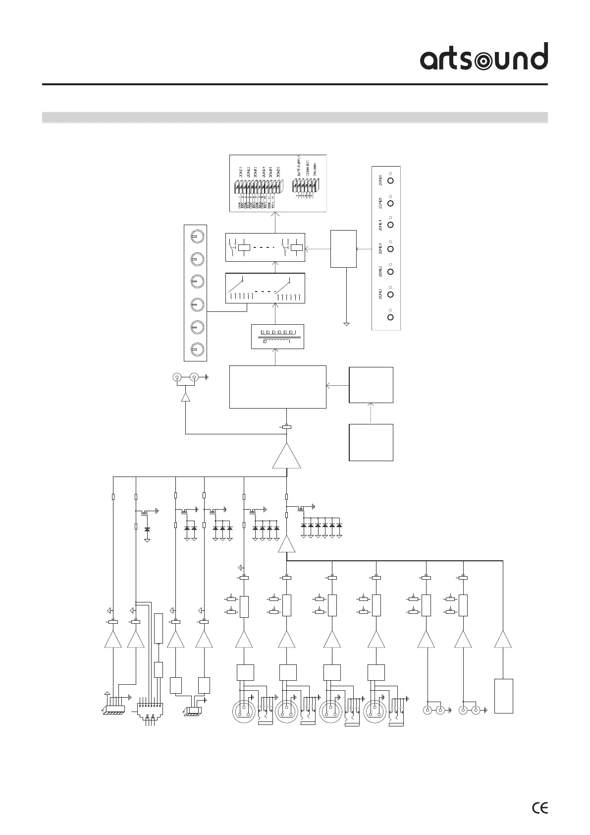
Artsound MX-5006M - Block Diagram

Artsound MX-5006M
12 pages
Print Icon
To Next Page IconTo Next Page
To Next Page IconTo Next Page
To Previous Page IconTo Previous Page
To Previous Page IconTo Previous Page
Loading...
MX-2406M / MX-5006M
10
EMC Highest priority
TEL/REMOTE Second priority
SIREN third priority
CHIME Fourth priority
EMC Highest priority
X1
X2
X3
MIC1A
5
6
4
3
1
2
T
R
S
MIC1B
X1
X2
X3
MIC2A
5
6
4
3
1
2
T
R
S
MIC2B
X1
X2
X3
MIC3A
5
6
4
3
1
2
T
R
S
MIC3B
BAL/UNBAL
X1
X2
X3
MIC4A
5
6
4
3
1
2
T
R
S
MIC4B
BAL/UNBAL
BAL/UNBAL
BAL/UNBAL
LINE
PHANTOM
MIC
LINE
PHANTOM
MIC
LINE
PHANTOM
MIC
LINE
PHANTOM
MIC
LINE1
LINE2
MP3/BT 模块
1
2
3
GND
SIREN
CHIME
LEVEL
CHIME
Q1
GND
MUTE_MIC1
SIREN
TEL/REMOTE MIC
EMC
GND
TEL/REMOTE MIC
EMC
2-STAGE EQ
BASS TREBLE
2-STAGE EQ
BASS TREBLE
2-STAGE EQ
BASS TREBLE
2-STAGE EQ
BASS TREBLE
2-STAGE EQ
BASS TREBLE
2-STAGE EQ
BASS TREBLE
LEVEL
MUTE_MIC1
LEVEL
LEVEL
LEVEL
LEVEL
LEVEL
GND
EMC
LEVEL
MASTER
LI NE OUT
120W/240W
switching
power supply
Power amplifier
module
DC 24V inverter
power supply
1
2
3
4
5
6
ZONE 1
ZONE 2
ZONE 3
ZONE 4
ZONE 5
ZONE 6
9
10
1
2
3
4
5
6
7
8
11
12
COM
COM
COM
COM
COM
COM
100 V
100 V
100 V
100 V
100 V
100 V
BATT SUPPLY
COM4-16Ω
70V-100V
=
=
=
=
=
=
=
Output transformer
ZONE 1 ZONE 2 ZONE 3 ZONE 4 ZONE 5 ZONE 6
GND
SIREN
TEL/REMOTE MIC
EMC
MUTE
Single-chip
ALL ZONE
4
61
5
3
2
4
61
5
3
2
4
61
5
3
2
4
61
5
3
2
4
61
5
3
2
4
61
5
3
2
1
2
3
4
5
6
0
5
3
4
1 2
1
2
3
4
5
6
0
5
3
4
1 2
LEVEL
SIREN
GND
TEL/REMOTE MIC
EMC
1
2
3
4
5
6
1
2
3
4
5
6
7
8
0
9
10
11
12
J5A
MUTE
EMC
TEL
REMOTE MIC
GND
LEVEL
MUTE
RS485
LEVEL
MIC1 Fifth priority
TEL/REMOTE MIC
EMC
单片机
SIREN
CHIME
CHIME
EMC
9.Blockdiagram.

Related product manuals