EasyManua.ls Logo

Arzel Zone Control 200 Series - Wiring Diagrams; Furnace;AC System Wiring; Heat Pump System Wiring

Arzel Zone Control 200 Series
14 pages
Print Icon
To Next Page IconTo Next Page
To Next Page IconTo Next Page
To Previous Page IconTo Previous Page
To Previous Page IconTo Previous Page
Loading...
6
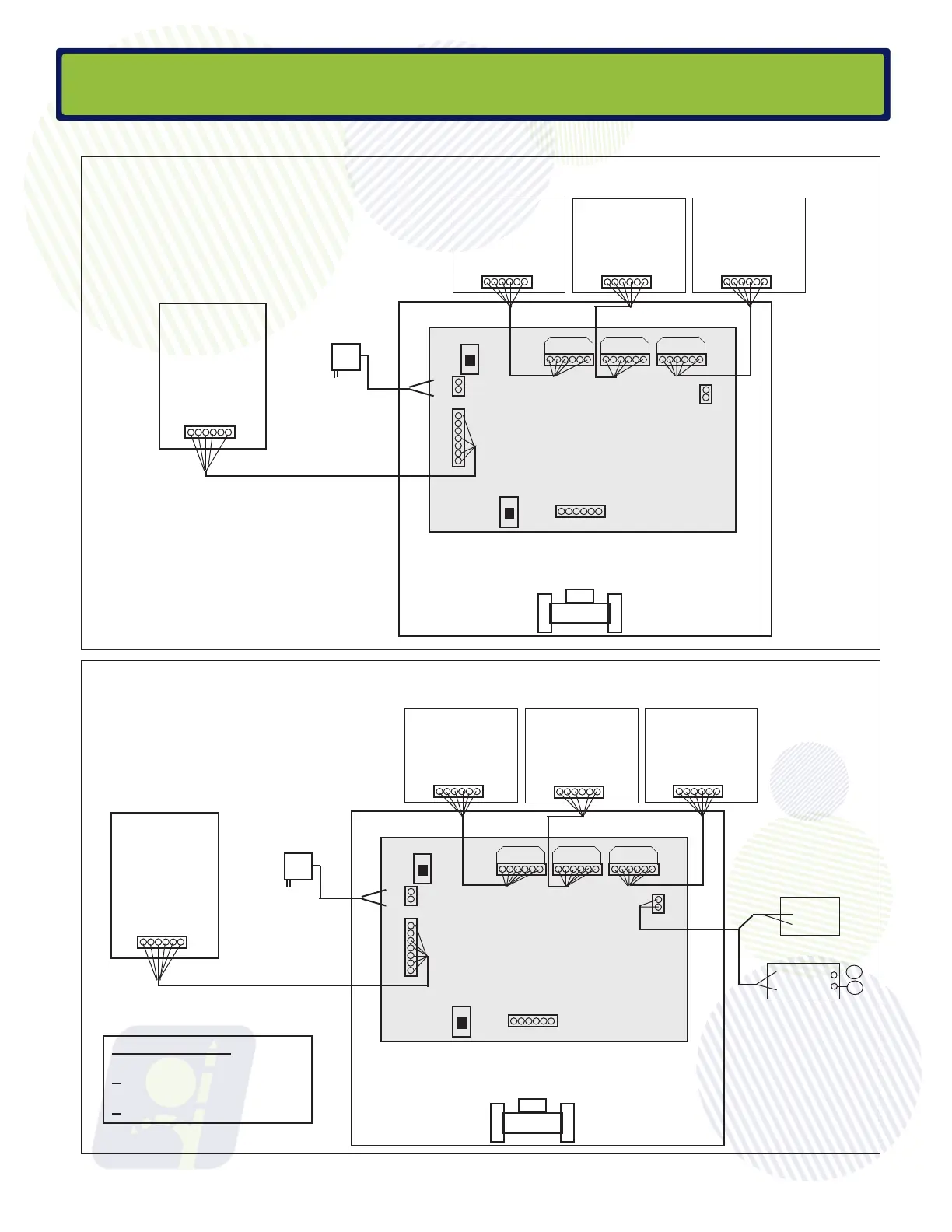
Pump
Pump and Solenoid connections
(factory installed)
Zone 1 Zone 2 Zone 3
R W Y G O B C
HVAC Outputs
24VAC
R C
Remote
ODT
Pump 1 2 3 +
ON
MPS
OFF
24VAC
Transformer
Furnace/Fan
Center
R W Y G O C
18-4 or 18-5
Thermostat wire
Zone 1
Thermostat
RWYGOC
Zone 2
Thermostat
Zone 3
Thermostat
Pump
Pump and Solenoid connections
(factory installed)
Zone 1 Zone 2 Zone 3
R W Y G O B C
HVAC Outputs
24VAC
R C
Remote
ODT
Pump 1 2 3 +
ON
MPS
OFF
24VAC
Transformer
Heat Pump
R W Y G O C
18-5 or 18-6
Thermostat wire
Zone 1
Thermostat
Zone 2
Thermostat
Zone 3
Thermostat
Reversing Valve
Select the HVAC Output
O terminal if your reversing valve
energizes in cooling,
B terminal if it energizes in heating
Congure thermostats to energize the O terminal in cooling
18-5 Thermostat wire
Outdoor
Thermostat
Com
N/O
or
SPST Relay
Com
N/O
Load side Coil side
Connect relay coil to
E & C from any single
thermostat
Furnace/AC
Heat Pump with
Electric Backup
18-5 Thermostat wire
E
C
RWYGOC RWYGOC
RWYGOCRWYGOC RWYGOC
RWYGOCRWYGOCRWYGOC
RWYGOCRWYGOCRWYGOC
Wiring Diagrams