EasyManua.ls Logo

ASBER ARF-49 - Page 29

Default Icon
33 pages
Print Icon
To Next Page IconTo Next Page
To Next Page IconTo Next Page
To Previous Page IconTo Previous Page
To Previous Page IconTo Previous Page
Loading...
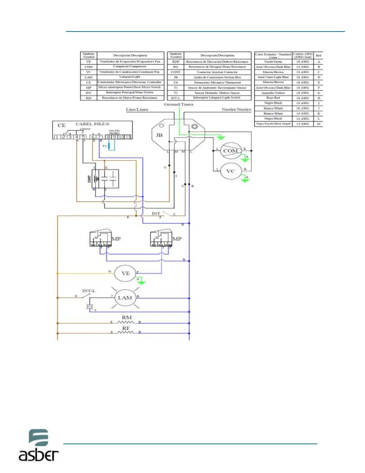
REACH-INS SERVICE MANUAL/Rev. JUN. 2015
Page29
ARR 49-2G

Related product manuals