EasyManua.ls Logo

Ashley AF1500E - Chimney Connector and Pass-Throughs; Combustible Wall Pass-Throughs

Ashley AF1500E
60 pages
Print Icon
To Next Page IconTo Next Page
To Next Page IconTo Next Page
To Previous Page IconTo Previous Page
To Previous Page IconTo Previous Page
Loading...
-16-
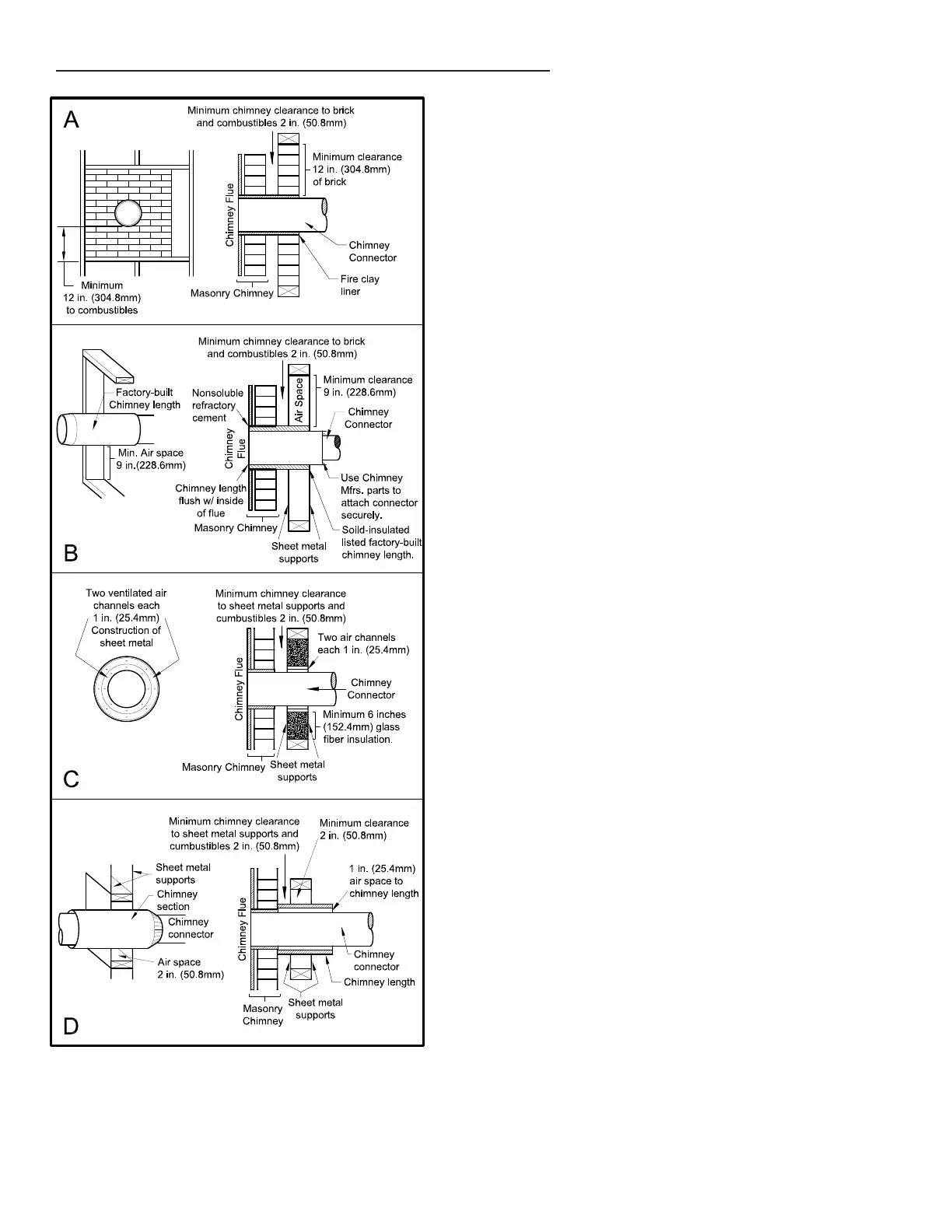
COMBUSTIBLE WALL CHIMNEY CONNECTOR PASS-THROUGHS
Method A. 12” (304.8 mm) Clearance to Combustible Wall
Member: Using a minimum thickness 3.5” (89 mm) brick
and a 5/8” (15.9 mm) minimum wall thickness clay liner,
construct a wall pass-through. The clay liner must conform
to ASTM C315 (Standard Specication for Clay Fire Linings)
or its equivalent. Keep a minimum of 12” (304.8 mm) of brick
masonry between the clay liner and wall combustibles. The
clay liner shall run from the brick masonry outer surface to
the inner surface of the chimney flue liner but not past the
inner surface. Firmly grout or cement the clay liner in place
to the chimney flue liner.
Method B. 9” (228.6 mm) Clearance to Combustible Wall
Member: Using a 6” (152.4 mm) inside diameter, listed,
factory-built Solid-Pak chimney section with insulation
of 1” (25.4 mm) or more, build a wall pass-through with a
minimum 9” (228.6 mm) air space between the outer wall of
the chimney length and wall combustibles. Use sheet metal
supports fastened securely to wall surfaces on all sides, to
maintain the 9” (228.6 mm) air space. When fastening
supports to chimney length, do not penetrate the chimney
liner (the inside wall of the Solid-Pak chimney). The inner end
of the Solid-Pak chimney section shall be flush with the inside
of the masonry chimney flue, and sealed with a non-water
soluble refractory cement. Use this cement to also seal to
the brick masonry penetration.
Method C. 6” (152.4 mm) Clearance to Combustible Wall
Member: Starting with a minimum 24 gauge (.024” [.61 mm])
6” (152.4 mm) metal chimney connector, and a minimum 24
gauge ventilated wall thimble which has two air channels of
1” (25.4 mm) each, construct a wall pass-through. There shall
be a minimum 6” (152.4) mm separation area containing
berglass insulation, from the outer surface of the wall thimble
to wall combustibles. Support the wall thimble, and cover
its opening with a 24-gauge minimum sheet metal support.
Maintain the 6” (152.4 mm) space. There should also be a
support sized to t and hold the metal chimney connector.
See that the supports are fastened securely to wall surfaces
on all sides. Make sure fasteners used to secure the metal
chimney connector do not penetrate chimney flue liner.
Method D. 2” (50.8 mm) Clearance to Combustible Wall
Member: Start with a solid-pak listed factory built chimney
section at least 12” (304 mm) long, with insulation of 1” (25.4
mm) or more, and an inside diameter of 8” (2 inches [51 mm]
larger than the 6” [152.4 mm] chimney connector). Use this
as a pass-through for a minimum 24-gauge single wall steel
chimney connector. Keep solid-pak section concentric with
and spaced 1” (25.4 mm) off the chimney connector by
way of sheet metal support plates at both ends of chimney
section. Cover opening with and support chimney section
on both sides with 24 gauge minimum sheet metal supports.
See that the supports are fastened securely to wall surfaces
on all sides. Make sure fasteners used to secure chimney flue
do not penetrate flue liner.
NOTES:
Connectors to a masonry chimney, excepting method B, shall extend in one continuous section through the
wall pass-through system and the chimney wall, to but not past the inner flue liner face. A chimney connector
shall not pass through an attic or roof space, closet or similar concealed space, or a floor, or ceiling.

Related product manuals