EasyManua.ls Logo

Ashley APC1406 - Wiring Diagram; Wiring Schematic

Ashley APC1406
32 pages
Print Icon
To Next Page IconTo Next Page
To Next Page IconTo Next Page
To Previous Page IconTo Previous Page
To Previous Page IconTo Previous Page
Loading...
USSC 25
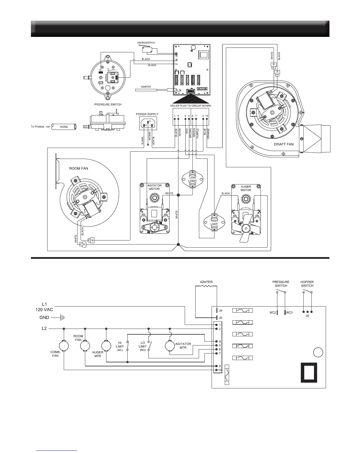
WIRING DIAGRAM
WIRING SCHEMATIC

Related product manuals