EasyManua.ls Logo

ASM Zip-Spray 1700 - Page 36

ASM Zip-Spray 1700
38 pages
Print Icon
To Next Page IconTo Next Page
To Next Page IconTo Next Page
To Previous Page IconTo Previous Page
To Previous Page IconTo Previous Page
Loading...
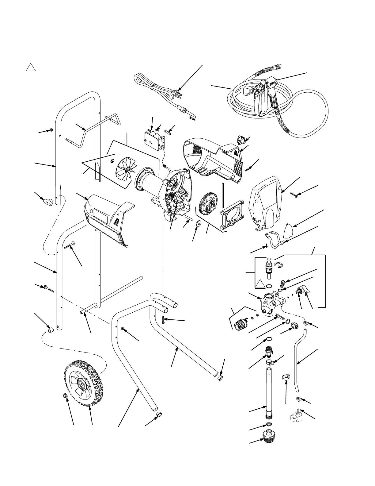
36 309421
Parts
Model 233789 Zip Spray 1700, Series C
63
62
79
67
68
79
77 76
75
74
80
72
65
72
73
113
70
1
65
13
71
86
85
20
87
88
89
69
36
52
81
43, 44, 45
19
18
84
102
25
17
26
94
88
2
127
95
96
149
1
Apply light coat of lithium–based grease.
1
40
66
47
51
54
58
46
52
52
48
125
125
ti6917a
151
126

Other manuals for ASM Zip-Spray 1700

Related product manuals