EasyManua.ls Logo

Astralpool VRAC III Basic 70768 - Page 91

Astralpool VRAC III Basic 70768
104 pages
Print Icon
To Next Page IconTo Next Page
To Next Page IconTo Next Page
To Previous Page IconTo Previous Page
To Previous Page IconTo Previous Page
Loading...
91
PORTUGUES
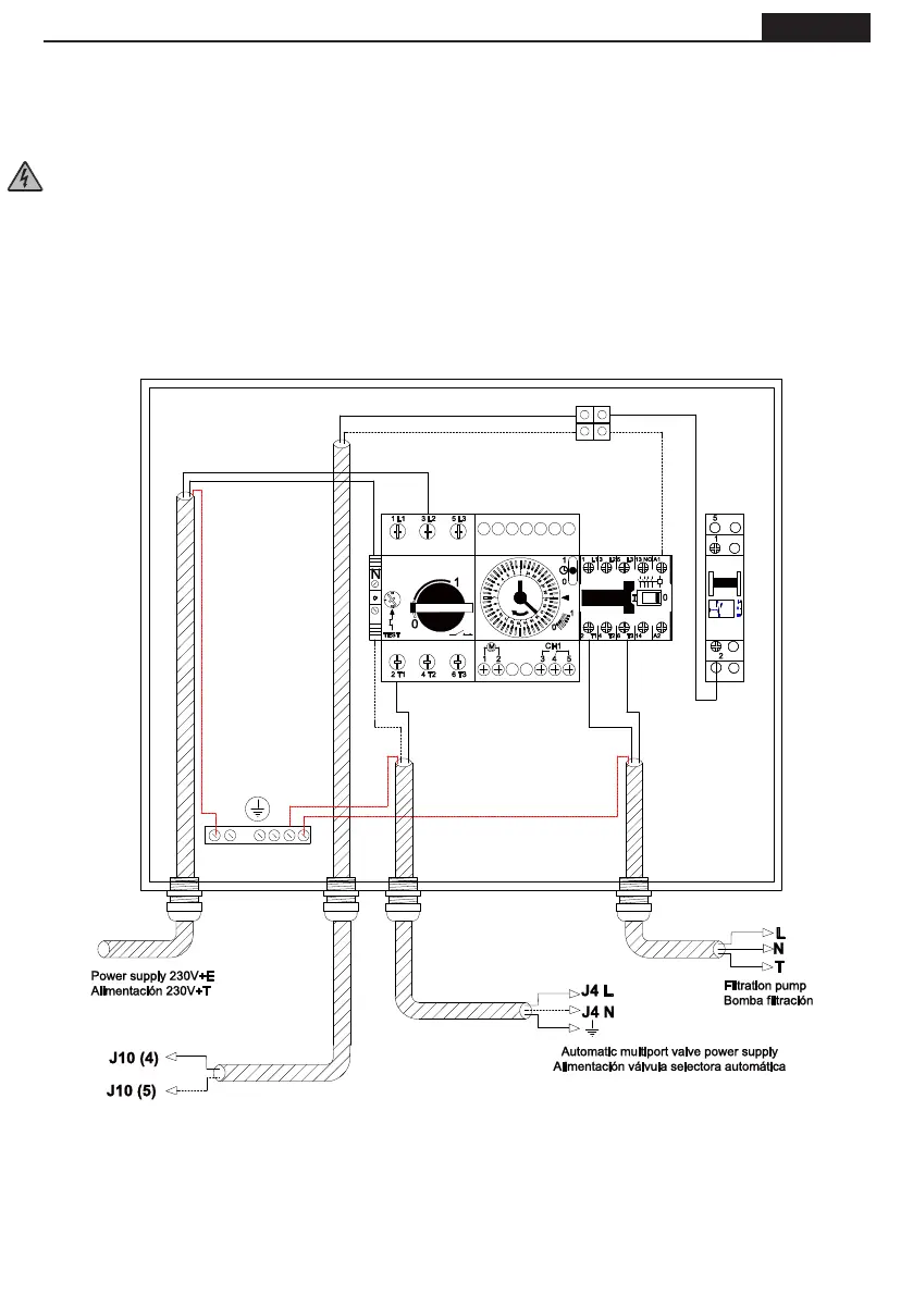
2.3 EXEMPLO DA LIGAÇÃO DO ARMÁRIO ELÉCTRICO MONOFÁSICO 230 V
Antes de realizar a instalação do material, o utilizador deve certicar-se de que os trabalhos de
montagem e manutenção são executados por pessoas qualicadas e autorizadas, e que estas
leram previamente as instruções de instalação e funcionamento.
No esquema são apresentadas as ligações externas necessárias para ligar uma válvula selectora
System VRAC a um armário ASTRALPOOL 25717.
Desligar a extremidade A1 do cabo da ligação 2 do interruptor de 3 posições e adicionar um bloco
de ligação para a ligação da manobra da válvula (4-5).

Table of Contents

Related product manuals