EasyManua.ls Logo

Atari 800 - Page 71

Atari 800
113 pages
Print Icon
To Next Page IconTo Next Page
To Next Page IconTo Next Page
To Previous Page IconTo Previous Page
To Previous Page IconTo Previous Page
Loading...
)
~
F-
+514
UOI LIOZ
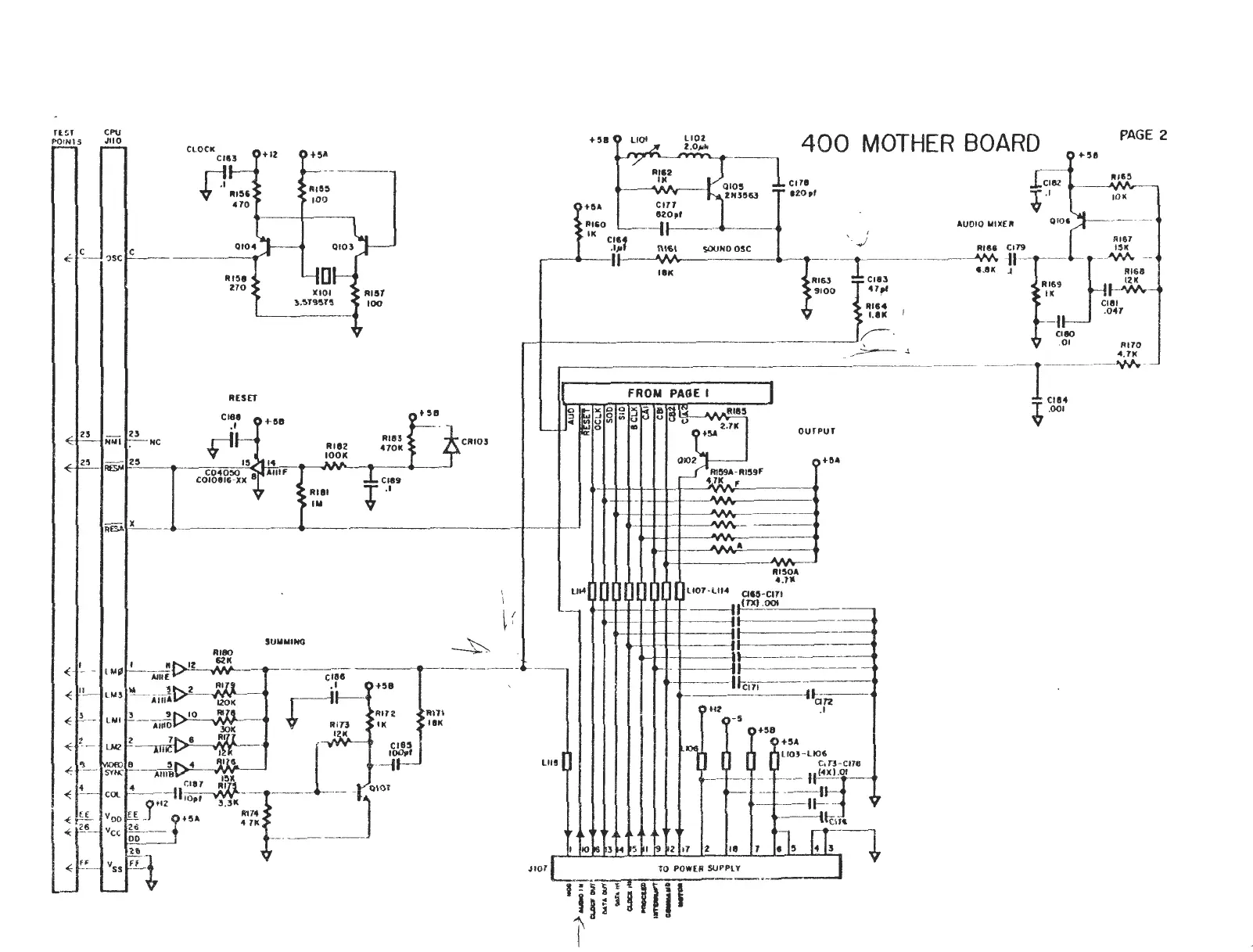
400
MOTHER
BOARD
r-~ut:.
CLOCK
~+5A
~~
cr~
+IZ
'
~y·~
+51
p
Rjl2
.J.
!
~
~!.&~
RUlli
K.
0105
Cl71
It
I
51
~
100
"
'"
~ZN3!1S3
:
120,1
*.1
~
IOK
470
4 +tiA
CIJJ
0105,_
RIIO
~:~·'
i
AUDIO
MIXER
QIOII
0104~
IK
Cllf
II
'...J
Rll7
~~
?SC C
·:II
!'1
8
1
SOUNDOSC
!tilt
~119
.'llfi
~DI--:
-
..
'"
".,..
Rl51
IlK
~
ltl&l
:~c1n
••
8K
r
Rl61
270
liiOI •
Rlll7
9100
47~
•
ltl69
H~
111<,.
IK
u-
.,..
5.579575
100
RUI4
CUll
~~
I>
I.IK
II
.047
,.
II
~~!
't
CillO
.01
Rl10
4.7!
T£ST
CPU
2
t~·
...
RUEJ
FROM
PAGE
I
Cl88
~+511
lg
-g
00
d~
i'l
e~~
..
""'
·Hill
o-
u
u_t!
2.7K
~~---
c
.,
...
L..,_
..
<E
~
NMI
~
Rl85•ncRI05
5A
OUTPUT
•
NC
RIIZ
~
25
It
14
•.o.o!
470K
to
~
RE5M
15
~
+!lA
CD4050
11
f4A111F
J.c119
R159A-RI59f
COI0816-XX •
4.!!-,
,.
.
~Rill
l"
.I
.-'..".
~1M
:.
RESA
)(
:..:
..
-,;_
A
..
RI50A
Ul4111
)1)1)
ll)uo7-lll4
4.7K
~
01!1-011
(1X).OOI
'--
SUMMING
~
RIIIO
r
!____
U.llil
I
"
.......
IZ
621(
t-.-
~
AJUV
..
Clll
u
<E!!_
"!.._____}
2
Rill
il---;
+51
I
C111
..
LM3
A lilA
120K
G
..
~
••an
~.!.__
LMI
3
9
10
"l\
Rl72
Rl11
ifZ
.I
AIIDV
v:
IK
IlK
-5
!.____
LM22
7
....
11
It
1l
)+51
~
AIIICV
~
:ll
.,.
Cll5
LOll
~+5A
'.a:"'
Llll~~
1
ll103-LIOI
f!-
\IIOE I
5 4
1~\
I
I I CI73-CI71
<!::
SYIC
AIIIB
~~
II
,.,
...
,
~
r!--
COL
bJm
·~~~::
-~'"'
··
..
3.5K
....
17
!
~
voo
9+5A
11174
....
~
28
4.111
"'CI71
Vee
DO
1
r.ls
4J,
+
R
~lr
I
10k
'"'
~I
" z
11
z Ill 7
~
{.!_
vss
f
JloJI
TO
POWER
SUPPLY
.__
'---
I{
IIi
j
1111

Other manuals for Atari 800

Related product manuals