EasyManua.ls Logo

Atari 800 - Page 72

Atari 800
113 pages
Print Icon
To Next Page IconTo Next Page
To Next Page IconTo Next Page
To Previous Page IconTo Previous Page
To Previous Page IconTo Previous Page
Loading...
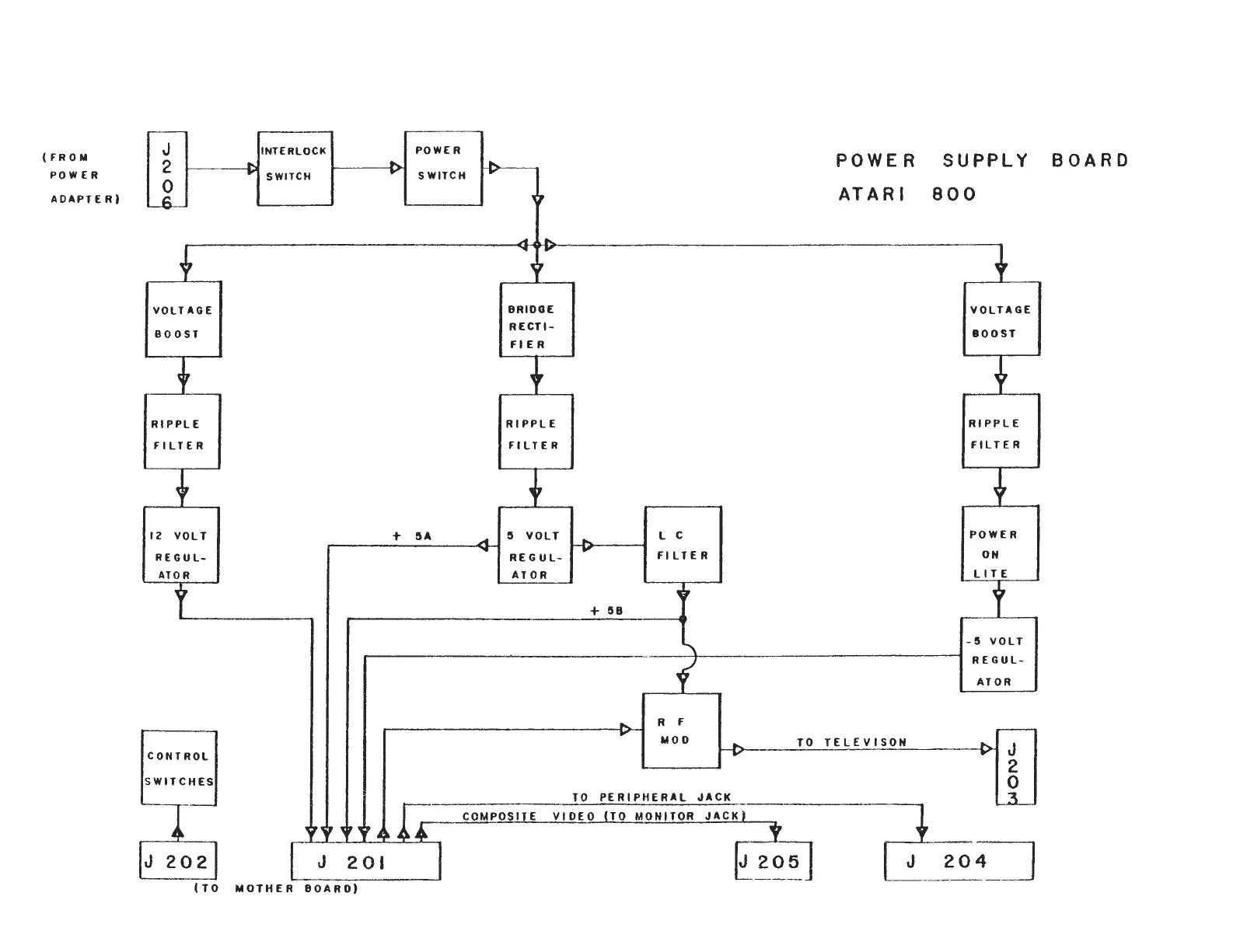
(
fR
0 M
POWER
ADAPTER
I
r--
J
INTERLOCK
2
...
....
..
SWITCH
~
...
Lt
VOLT
AGE
BOOST
+
RIPPLE
FILTER
t
I Z
VOLT
+
RE
GUL-
ATOR
t
CONTROL
SWITCHES
_!
.
',
, ,
In
,
.;~
~~~2J
l
J
2 0 I
(TO
MOTHER
BOARD)
\
POWER
POWER
SUPPLY
...
'
BOARD
SWITCH
...
,.
ATARI
800
A
......
....
....
•
~
r
BRIDGE
VOLTAGE
RECTI-
BOOST
Fl
E R
RIPPLE
RIPPLE
FILTER
FILTER
5A
A
5
VOLT
...
L c
POWER
..
REG
U
L-
-v
fiLTER
ON
ATOR
LITE
.,
t
+58
"'\
-5
VOLT
f
REGUL-
ATOR
...
R
F
...
r-
MOO
-t>
TO
TELEVISON
...
J
..
2
0
TO
PERIPHERAL
JACK
LL
COMPOSITE
VI
OEO
(TO
MONITOR
JACK)
+
•
t
I
I
J
204
I

Other manuals for Atari 800

Related product manuals