EasyManua.ls Logo

ATH 2.32H2 - English; Schaltpläne Elektro

ATH 2.32H2
76 pages
Print Icon
To Next Page IconTo Next Page
To Next Page IconTo Next Page
To Previous Page IconTo Previous Page
To Previous Page IconTo Previous Page
Loading...
38
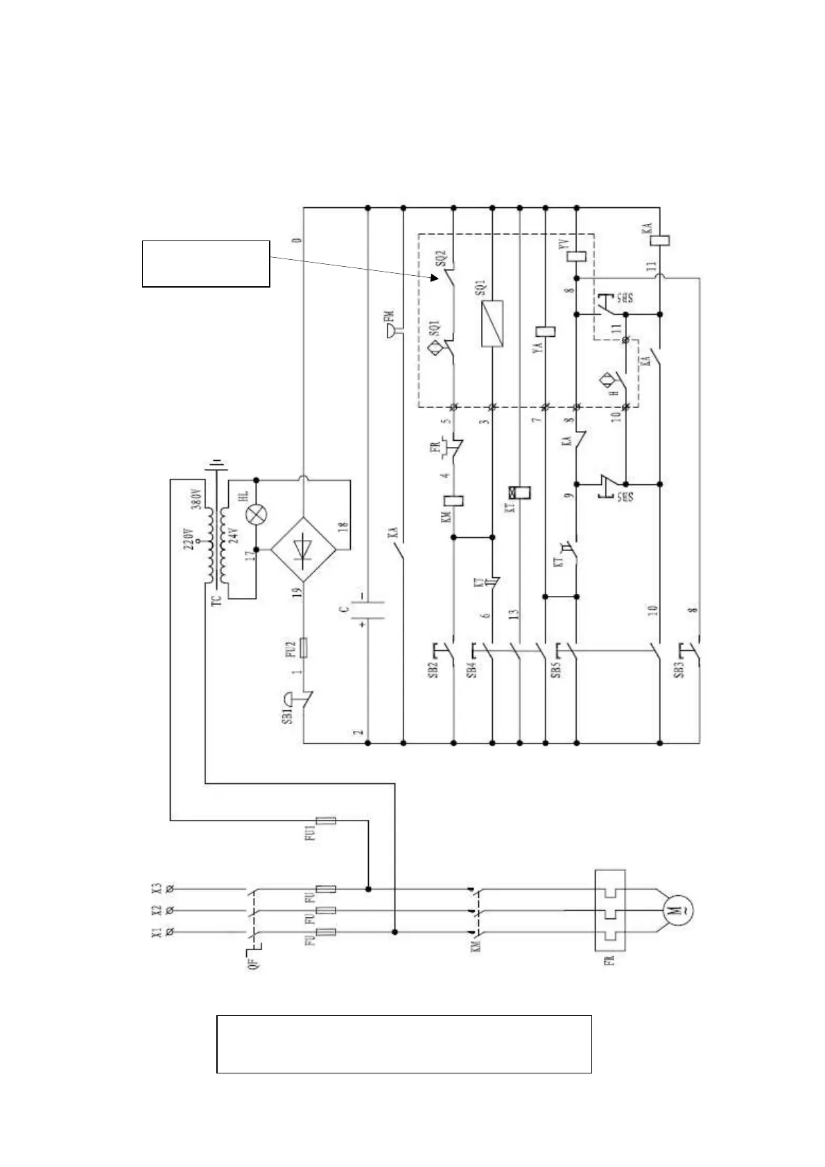
7 Schaltpläne Elektro /
Electric circuit plans
Elektro-Stromlaufplan Typ H/HL
Electric
circuit
plan type H
/HL
Nur Typ HL
Only type HL

Related product manuals