EasyManua.ls Logo

Atlantic CMG-BD0 - Page 13

Atlantic CMG-BD0
28 pages
Print Icon
To Next Page IconTo Next Page
To Next Page IconTo Next Page
To Previous Page IconTo Previous Page
To Previous Page IconTo Previous Page
Loading...
RU
13
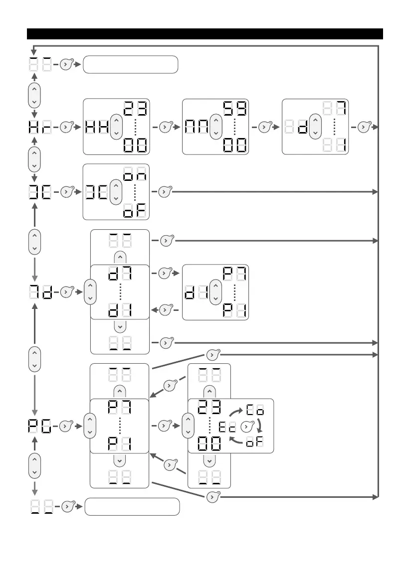
МЕНЮ НАСТРОЕК ПРИБОРА
Выход из настроек
Выход из настроек

Related product manuals