EasyManua.ls Logo

Atlas Copco LT 2

Atlas Copco LT 2
80 pages
To Next Page IconTo Next Page
To Next Page IconTo Next Page
To Previous Page IconTo Previous Page
To Previous Page IconTo Previous Page
Loading...
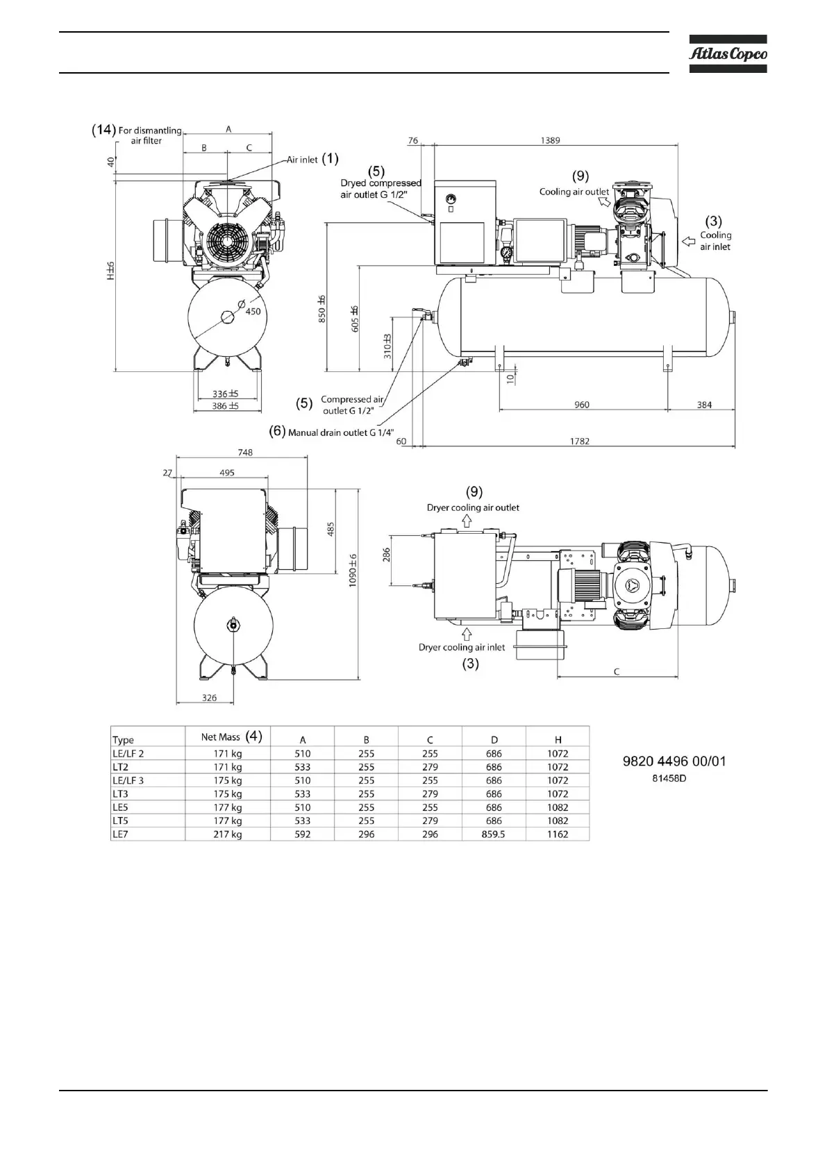
LT 2 up to LT 5, Tank-mounted, Full-Feature, receiver 250 l
Instruction book
2920 7089 90 33

Related product manuals