EasyManua.ls Logo

Atlas Copco LT 2

Atlas Copco LT 2
80 pages
To Next Page IconTo Next Page
To Next Page IconTo Next Page
To Previous Page IconTo Previous Page
To Previous Page IconTo Previous Page
Loading...
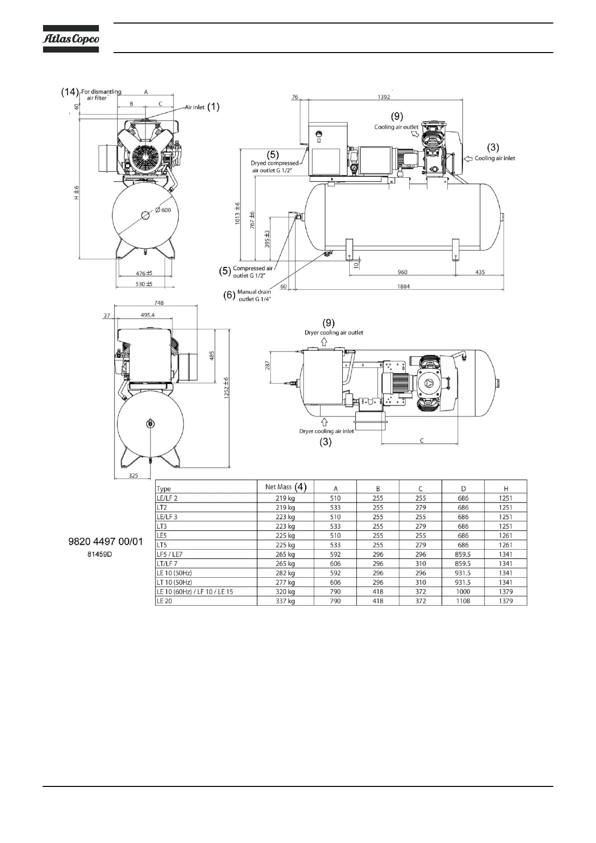
LT 5 up to LT 10, Tank-mounted, Full-Feature, receiver 475 l
Instruction book
34 2920 7089 90

Related product manuals