EasyManua.ls Logo

Atlas Copco LT55

Atlas Copco LT55
48 pages
To Next Page IconTo Next Page
To Next Page IconTo Next Page
To Previous Page IconTo Previous Page
To Previous Page IconTo Previous Page
Loading...
2920 1257 04
11
Instruction book
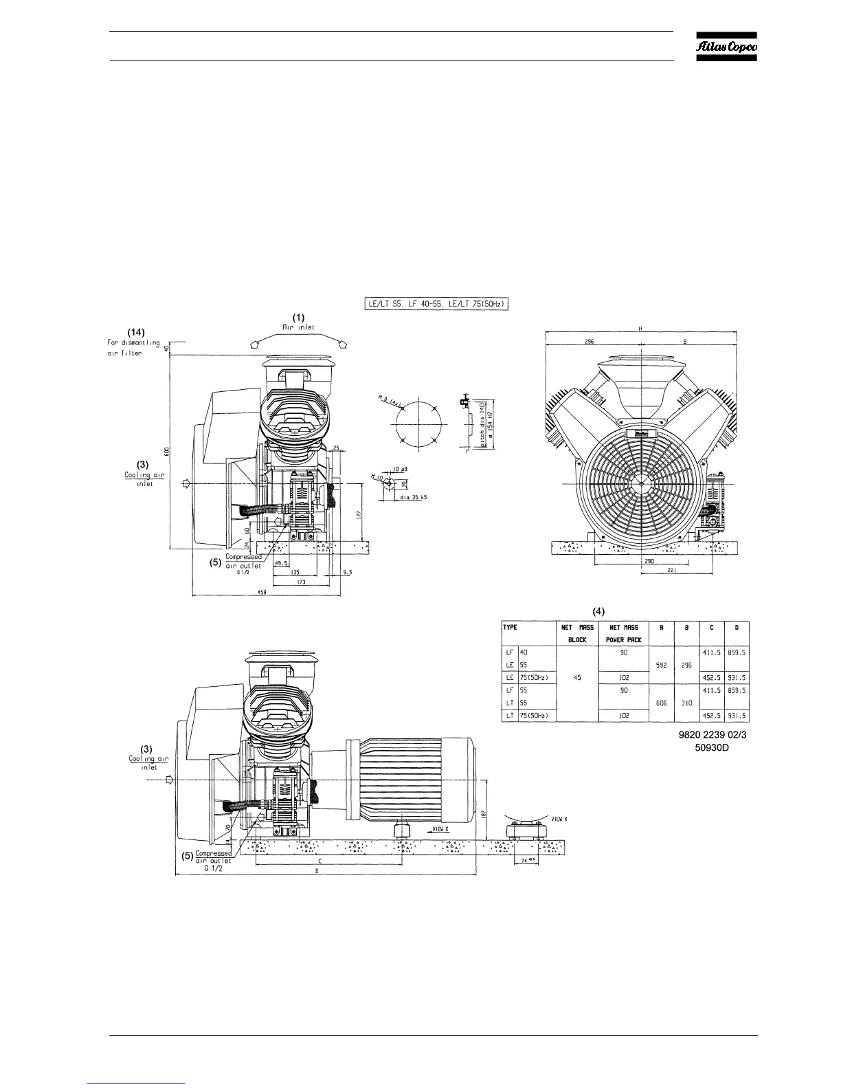
Fig. 2.2 Dimension drawing, LE/LT55/75 and LF40/55 Power Pack

Table of Contents

Related product manuals