EasyManua.ls Logo

Atlas Copco QLT M10 - Page 31

Atlas Copco QLT M10
46 pages
To Next Page IconTo Next Page
To Next Page IconTo Next Page
To Previous Page IconTo Previous Page
To Previous Page IconTo Previous Page
Loading...
- 31 -
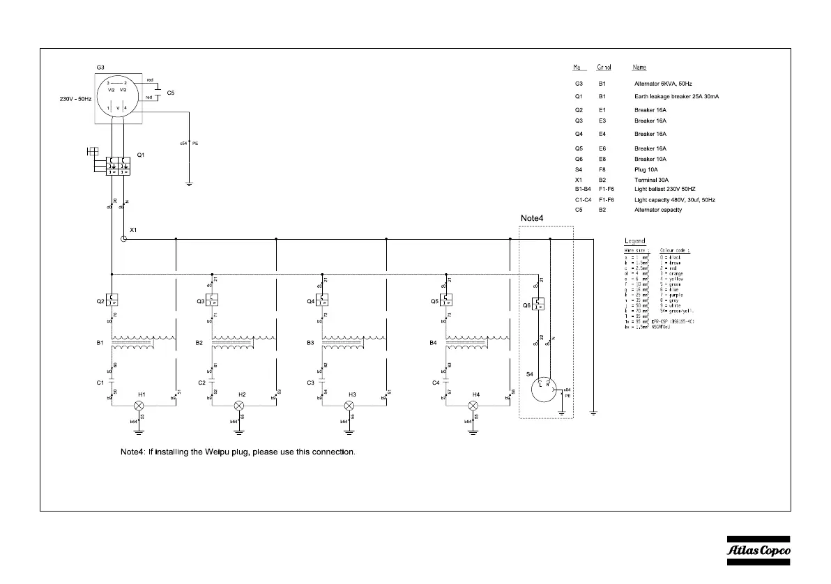
4.6 Circuit diagram 230V 50Hz Earth leakage breaker with / without universal socket - 9829 3944 00

Related product manuals