EasyManua.ls Logo

AuCom MVS Series - Page 18

AuCom MVS Series
22 pages
Print Icon
To Next Page IconTo Next Page
To Next Page IconTo Next Page
To Previous Page IconTo Previous Page
To Previous Page IconTo Previous Page
Loading...
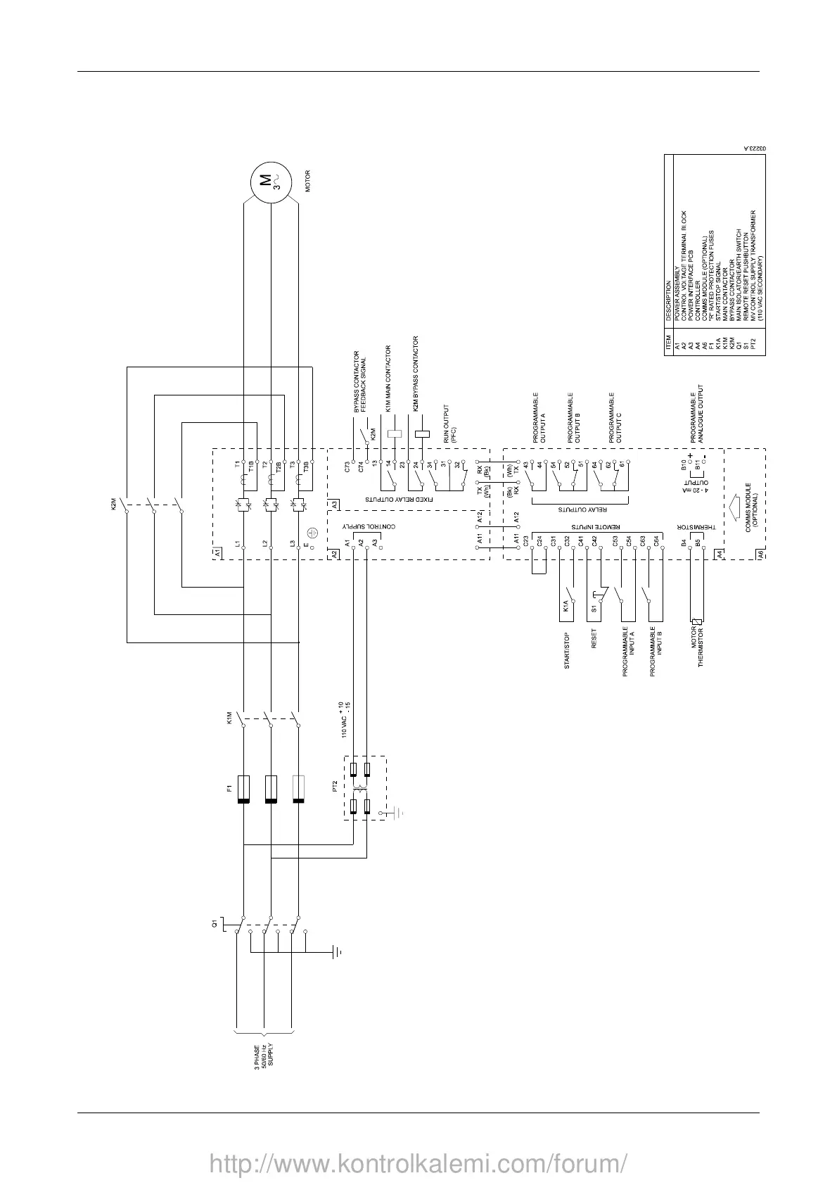
POWER CIRCUITS
MVS SERIES 17 710-03261-00A
Diagram 4: Complete Power Circuit Configuration
MVS Starter installation with main contactor, bypass contactor, isolator/earth switch, fuses and medium
voltage control supply transformer. Configured for two-wire start/stop control.
http://www.kontrolkalemi.com/forum/