EasyManua.ls Logo

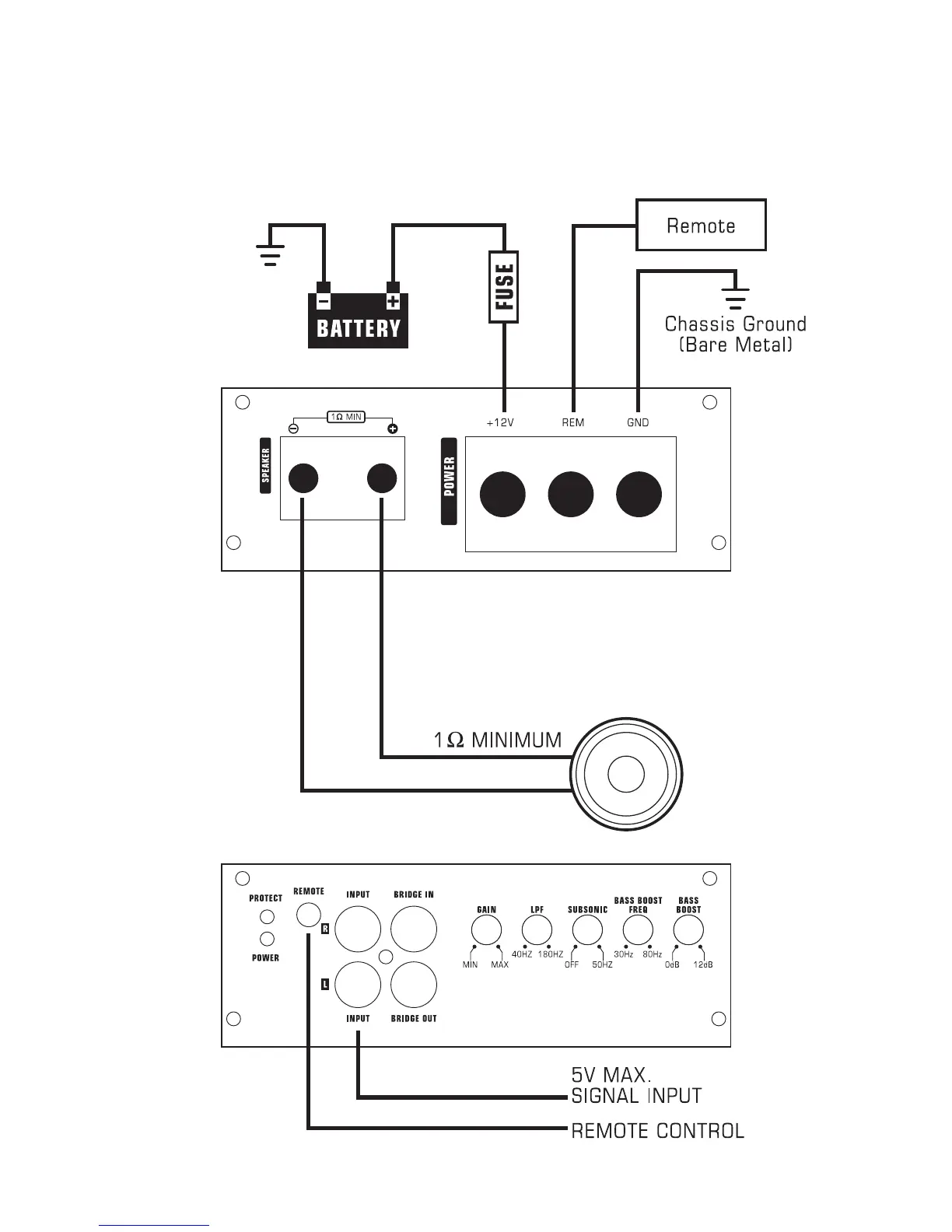
Audiopipe APSM-1300 - One Speaker Mono Wiring (APSM-2000)

Audiopipe APSM-1300
13 pages
Print Icon
To Next Page IconTo Next Page
To Next Page IconTo Next Page
To Previous Page IconTo Previous Page
To Previous Page IconTo Previous Page
Loading...
ONE SPEAKER MONO
APSM-2000

Related product manuals