EasyManua.ls Logo

auna DigiPlug FM - Descrizione del Dispositivo

auna DigiPlug FM
Print Icon
To Next Page IconTo Next Page
To Next Page IconTo Next Page
To Previous Page IconTo Previous Page
To Previous Page IconTo Previous Page
Loading...
46
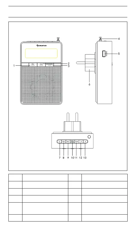
DESCRIZIONE DEL DISPOSITIVO
1 Volume- 7 Power/Standby
2 Volume+ 8 Mode (modalità)
3 Enter/Info 9 Menu
4 Antenna telescopica 10 Sonno/Snooze
5 Connessione di carica
USB
11 Indietro
6 Spina 12 Avanti

Related product manuals